
314
4. Через лампу накаливания течет ток, равный 0,6 А. Темпера-
тура вольфрамовой нити диаметром 0,1 мм равна 2200 °С. Опреде-
лите напряженность электрического поля в вольфраме. Удельное
сопротивление вольфрама при 0 °С ρ
0
= 55 нОм·м, температурный
коэффициент сопротивления α = 0,0045 К
–1
.
5.
Катушка и амперметр присоединены к источнику тока.
К клеммам катушки присоединен вольтметр с сопротивлением
2
кОм. Амперметр показывает I = 0,25 А, вольтметр U = 100 В. Оп-
ределите сопротивление катушки.
6.
Два элемента с ЭДС 1,6 В и 2 В и внутренним сопротивле-
нием соответственно 0,3 и 0,9 Ом включены последовательно
и замкнуты на внешнее сопротивление 6 Ом. Определите падение
напряжения на внутреннем сопротивлении каждого из элементов.
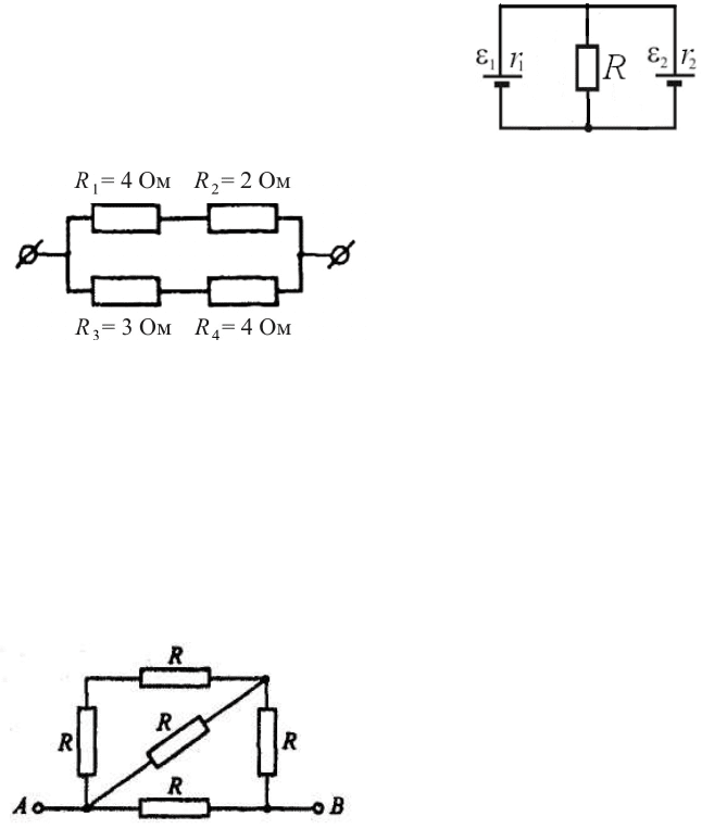
7.
Найдите силу тока в проводнике со-
противлением 3R (рисунок).
8.
Сила тока в проводнике равномерно
увеличивается от I = 0 до некоторого макси-
мального значения в течение времени t = 10 с.
За это время в проводнике выделилось коли-
чество теплоты Q = 1 кДж. Определите ско-
рость нарастания тока в проводнике, если сопротивление его
равно 3 Ом.
Модуль 6. Постоянный электрический ток
Вариант 5
1.
Определите плотность тока, если за 2 с через проводник се-
чением 1,6 мм
2
прошло 2·10
19
электронов.
2.
Электрическая лампочка с вольфрамовой нитью включена
в цепь низкого напряжения при температуре t
1
= 25 °С. При этом вольт-
метр показывает U
1
=10 мВ, амперметр I
1
= 4 мА. В рабочем состоянии
напряжение на зажимах лампочки U
2
= 120 В, сила тока I
2
= 4 А. Опре-
делите температуру вольфрамовой нити в рабо-
чем состоянии. Термический коэффициент со-
противления вольфрама α = 0,0042 град
–1
.
3.
Найдите общее сопротивление кон-
тура (рисунок), составленного из проводни-