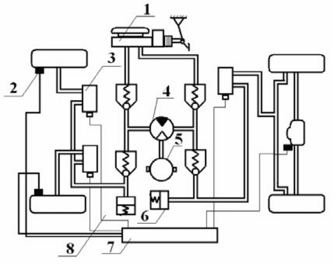
86
или  уменьшение  давления.  Возможно  применение  различных  вариантов 
размещения  датчиков  и  модуляторов  давления  в  тормозном  приводе. 
Рассмотрим основные из них(рис 6.8). 
      1.Датчик  и  модулятор  установлены  в  каждом  колесе.  При  этом 
варианте  обеспечен  наименьший  тормозной  путь  автомобиля,  но  не 
исключена  возможность  возникновения  значительного  момента 
относительно  вертикальной  оси  автомобиля,  когда  на  колёсах  одной 
его 
стороны  коэффициент сцепления φ окажется меньше, чем на колёсах другой 
стороны.  Это  однако, не  приведет к  заносу , так  как автомобиль  сохраняет 
управляемость,  и  водитель  может  исправить  положение  автомобиля 
поворотом рулевого колеса.  
        2.Датчики установлены на всех колёсах автомобиля, но на задних 
колёсах  установлен  один  общий  модулятор  давления.  Тормозная  сила  на 
обоих задних колёсах устанавливается одинаковой, поэтому тормозные силы 
не вызывают момента, стремящегося повернуть автомобиль. Тормозную силу 
на  задних  колёсах  контролирует  датчик  того  колеса,  которое  находится  на 
поверхности с меньшим  коэффициентом сцепления φ и раньше подвергается 
блокировке.  Если  у  задних  колёс  будут  разные  φ,  то  при  таком  варианте 
тормозной  путь  несколько  увеличивается
,  но  незначительно  поскольку 
тормозной  эффект  в  основном  обеспечивается  передними  колёсами (это 
относится к автомобилям с одинаковым распределением веса по осям). 
     3.Каждое  переднее  колесо  регулируется  самостоятельно,  а  задние 
колёса  имеют  общие  датчик  и  модулятор  давления.  Датчик  установлен  на 
корпусе дифференциала, а эффект от применения схемы такой же , что  и у 
предыдущего
 варианта.  
     4.Датчики  установлены  на  все  колёса,  но  на  передних  колёсах 
установлен  общий  модулятор  давления.  Тормозную  силу  может 
контролировать  как  датчик  колеса,  находящегося  в  худших  условиях,  по 
сцеплению  с  дорогой,  т.е.  имеющего  меньшую  угловую  скорость,  так  и 
датчик  колеса,  находящегося  в  лучших  условиях  по  сцеплению,  т.е. 
имеющего  большую  угловую
  скорость.  В  последнем  случае  не  исключена 
блокировка одного из передних колёс . В отличие от варианта с одним общим 
модулятором  давления  задних  колёс  может  оказаться  более  целесообразно 
управление  модулятором  при  помощи  датчика  колеса,  находящегося  в 
лучших  условиях  по  сцеплению.  Это  объясняется  тем,  что  из-за 
перераспределения  нормальных  реакций  тормозная  сила  передних 
колёс 
значительно  больше,  чем  задних,  и  контроль  тормозной  силы  датчиком 
колеса,  находящегося  в  лучших  условиях  по  сцеплению,  способен  заметно 
уменьшить тормозной путь автомобиля. Блокировка же передних колёс и тем 
более одного из них не приводит к заносу. 
     5.Имеется  один  модулятор  давления  для  задних  колёс, 
контролируемый  датчиком  колеса,  находящегося  в  худших 
условиях  по 
сцеплению  с  дорогой,  и  один  модулятор  давления  передних  колёс, 
контролируемый датчиком колеса, находящегося в лучших условиях.