Подождите немного. Документ загружается.

965
МПзО4
кр
1387,6
155
139,3
1283*
-
~
966
МпО2
521,5
53,1
54,0
-
\Ij
\кр
-
О
967
МП207
ж
726
-
-
-
-
:si
969
MIiSe
157
91
51,3
о
кр
-
-
-1
970
мьэю,
кр
.,
1321
89
86,4
-
t:I:'
-
>
97]
MnSi
кр
78
47,1
45,9
60
-
~
974
1\1.nS0
4
кр
1066,7
112
100,2
-
-
~
975
мсзо..н,»
кр
1387
155,5
-
- -
о
~
976
MnSO
..
·7H
2O
кр
3136
-
-
- -
"'i
978 MnS
кр
214,3
81
49,9
26, ]
-
1:)
0\
979
MnS2
кр
207
99,9
,О,1
-
-
1;
981
м-по,
кр
1358,4
104,9
100,1
33,5
-
986
МПР
2
кр
(тетраг)
846,7
93,3
67,9
]4
(ромб)
256
газ
528
270
53
-
-
989
МпС1
2
кр
481,2
1
]8,2
72,9
37,7
148
газ
263
~95
58
990
МпС12
о
4Н
2
О
кр
1687,4 3]1
992
Си
кр
О
33,2
24,4
I
13,0
I
302
газ
-338
166,3
2018
993
СuзSЬ
кр
10,5
-
103,3
994
СuзАs
кр
11,7
-
-
996
CuBr
кр
(куб)
103,5
96,1
54,7
I
7,24*
I
68,2
997
CuBr
2
кр
]42,7
146
-
998
Си
(ОН)2
кр
444,3
84
96
999
Си
(IО
З)2
кр
411,3
-
-
1000
Си!
кр
(куб)
68,0
97
54,0
I
8,35*
I
251027
газ
-153,2
255,6
36,5
]002
(СиОН)2
СО
з
кр
1051
211,6
1003
Си
(NО
З)2
·3Н
2О
кг
]217
-
1004
СuзN
кр
-74,5
-
I
90,8
1005
Си
2О
кр
I
]73
92,9
63,6
I
64,2
*
Куб.
(а)
-+
куб.
(~)
2,2
кДж,моль-
1
•
и
Куб.
(~)
-+
куб.
(т)
2,1
кДж
-мояь
-1.
а*
Тетрат.
-+
куб.
21
кдж
'MOJlI)-l
•
,.
Куб.
-+
гекс.
8,9
кДж,моль
-1;
г
еке
,
-.
куб.
1.5
кджомоль-1.
\~
,.
Куб.
-+
г
екс,
8,2
КДЖ·МО/lЬ
-t~
г
екс,
-+
куб.
2,6
КllЖ'МОJJь-
1
•

м
по
таб.II.
121
Вещество
1006
CuO
1007
Си
(СI0
4
)
2
·
6
Н2
0
1008
CuSe04·5H20
1009 CU2Se
1010
CuSe
1011
сезо,
1012
CuS04·
5H2
0
1013
CU2S
1014
CuS
1017
сег,
1018
CuF
2·2H
2O
1021
CuC1
1022
сьсь
1023
сесь.зн.о
1024
CuCN
1026
[Cu (N
Нз}в]
С1
2
1027
[Cu
(NН
З
)
4
]
(NО
З)2
1029
Мо
1032
МО2
В
1034
МоС
1035
МО2С
1036
Мо
(СО)в
]037
МОО
2
1038
мео,
1039
MoF
4O
1040
МОР
2О
2
1041 MoC1202
---
_.-
о
о
~H
фазовых
переходов
,
-t:.Н
о
б
р'
8°,
ер,
кдж.моль-
1
Состояние
Дж.моль
-1·к-
1
кдж.моль-
1
Дж-моль
-1.
к
-
l
плавление
I
испарение
кр
162
42,6
42,3
-
-
кр
1915
-
-
-
-
кр
1951,0
-
-
-
-
кр
59,3
-
-
-
-
кр
(гекс)
39,5
- -
14*
-
кр 771
109,2
98,9
-
-
кр
2279
300,4
281
-
-
кр
(ромб)
79
121
76,3
11,3**
-
кр
53,1
66
47,8
-
-
кр
537,6
69
70
39
-
газ
276,1
260
51,9
-
-
кр
1169,0
- -
-
-
кр
137,3
87
48,5
10,2
21,7
газ
80,6
237,1
35,3
-
-
кр
215,6
108,1
71,9
-
-
кр
819
190,6
-
-
-
кр
-97,6
90,0
61.0
- -
кр
870,0
-
-
-
-
кр
827,6
-
-
- -
кр
О
28,6
24,2
36
582
кр
95 95
79
-
-
кр
(куб)
10
-
- -
-
кр
(ромб).
46
65,8
60,2
-
-
кр
983 327
242
-
-
газ
913
503
211
-
-
кр
589,1
46,3
56,0
-
-
кр
745,2
77,7
75,0
49,0
138
газ
363
279
59
-
-
кр
1310
-
-
3,5
50
газ
1255
- -
-
-
газ
1121
-
-
-
-
кр
724
-
-
-
90
(возг)
газ
630
-
-
-
-
~
C1I
t\.:
~
t'l1
~
з
о
~
=с
:х:
>
~
:s:
~
tr1
n
~
:s:
t12

1042
MoSi2
кр
119
-
65
-
-
о
]043
мез,
кр
248
62.6
63,6
-
tJj
-
о
1044
Мо
2S
з
кр
406
-
-
-
-
~
о
1045
МОР
в
ж
.,
]585,4
259,7
]69,8
4,33*
27,2
-:J
газ
]557,7
35]
120,5
-
-
tJj
>
]047
мьсь
кр
393
138
-
-
-
~
]048
МоС1
4
кр
479,5
]80
-
-
-
;:s
13
газ
385
372 98
-
-
с
QI
]049
месь
кр
527
230
-
18
54
I~
газ
446
395
120
-
-/
]050
Н
2МоО
4
кр
]046 ]59
-
-
-
]052
As
кр
(серый)
О
35,6
24,7
2],8
3],8
(воаг
)
'~
1053
As
кр
(черный)
-4
]054
As
кр
(желтый)
-7
1055
AsBr
2
кр
199,0
-
-
]],8
41,8
газ
]32
363,8
78,6
-
-
]056
Аsl
э
кр
64,8
213,0
105,8
21,8
56,5
газ
-30,]
388,2
80,8
-
-
105[)
As
4
0
e
кр
(куб)
1335
233 204 48
56
]059
As
40
s
кр
(МОН)
1332
245,2
222
45
56
1060
As
20
s
кр
926,4
105
1]6,5
]061
Аs
2S
э
кр
159,0
164
]
15,5
I
-
I
86
]062
As
2S
lS
кр
]46
-
-
1065
АsF
э
ж
957
181,2
126,4
]0,4
I
33,5
газ
921
288,9
64,6
-
]066
I
AsP&
газ
1236,7
-
-
11,5
]067
АsСl
з
ж
3]5.5
212,5
]33,5
]0,]
38,1
газ
271,1
326.2
75,5
-
-
106Ь
AsH?
газ
-66,4
223,0
38,7
1,2
16,7
]070
Na
кр
О
51,3
28,20
2,60
90,1
газ
-107,5
153,6]
20,79
]07]
Na
[AlSi0
4
]
кр
~O93
124
118,]
]072
Na
[АlSlзОs]
KP~*
3939
207,4
205,1
1073
NаN
з
кр
-2],3
96.9
76.6
'*'
Гекс.
-+
ромб.
1,4
кДж
,моль-
1
•
~.)Eo
Ромб.
-ь
г
екс,
5,6
кДж-моль
-.&;
геке
....
куб.
1,2
КДЖ'МОJlь-
1
.
.
~
Ромб.
-+
куб.
8,2
кДж.
моль
- I
'~
но·
Альби'!'.

о
о
АН
фазовых
персходов.
ом
-АН
о б
р'
80,
ер,
кдж.моль-
1
Вещество
Состояние
Дж·
моль
-1·
к-1
по
та
бл
, 12
кдж.моль-
1
Дж-моль
-1·
к
-
l
I
испарение
плавление
1074
NaNH
2
кр
124
76,9
66,1 -
-
1075
Nаз
S
Ь
кр
227
-
128,0
-
-
1082а
NазАsО4
кр
(ромб)
1535 186 170
-
-
1083
масн.соо
кр
708,7
124
79
18
-
1084
NаСН
зСОО·3Н20
кр
1603 262
-
-
-
1085
NaB0
2
кр
976
73,5
66,0
36
-
1086
N
a
2
B
4
0
7
кр
3289
189,5
186,8
81
-
ам
3262
199
185,9
-
-
1089
NаВrО
з
кр
350
132
-
-
-
1090
NaBr
кр
361,2
86,9
51,4
26,2
128
газ
145
241,11
36,34
-
-
1091
NaBr·2H
2O
кр
951,
175
82
-
-
1094
Na
4V
20
7
кр
2920
3]8
269,7
66
-
1095
NаVО
з
кр
1148
113,8
97,6
28,3
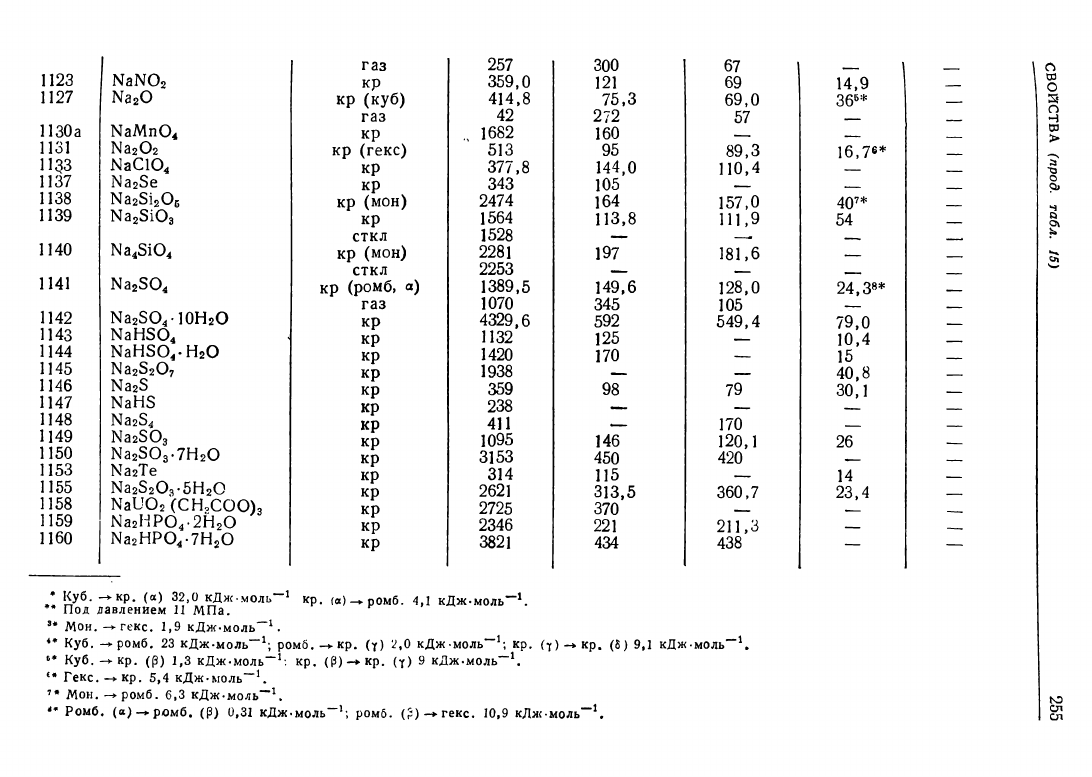
-
1096
Nа
ЗVО
4
кр
1757
190
164,8
-
-
1098
Na
2W0
4
кр
(куб)
1548
161
139,7
31*
-
1103
NaH
кр
56,4
40,0
36,4
26**
-
газ
-141
188,27
30,30
-
-
1104
Na
[ВН
4
]
кр
190,0
101,5
86,7
-
-
1105
NaOH
кр
(ромб)
425,9
64,4
59,5
6,4
(куб)
-
газ
188
228
.
49
-
-
1110
NаIО
з
кр
494,7
135
125,5
35,1
-
1111
NaI
кр
288,1
98,6
52,1
23,7
-
газ
77
248,87
36,64
-
-
1112
NaJ
·2Н
2О
кр
883
174,1
-
-
-
1114 Na2C2
кр
19
111,3
91,0
-
-
1115
Nа2СО
з
кр
(мои)
1129,4
135,0
]12,3
2H,Os*
-
1116
Nа
2СО
з
•
Н
2О
кр
1430,0
168,2
145,6
-
-
1117
N
а
2СО
з
•
7Н
2О
кр
3200
427
418"
-
-
1118
Nа
2СО
з·10Н
2О
кр
4080,0
564
550
-
-
1119
NаНСО
з
кр
949,1
101,3
88,2
-
-
1121
Na
2Mo0
4
кр
(куб)
1469,0
159
141,7
224*
-
1122
NаNО
з
кр
468,2
116,4
93,0
15,1
-
ьэ
ел
~
o-i
tт1
~
з
о
р
:s:
:t
>
з
:s:
..с::
tТ:I
о
;,;:
:s:
tТ:I

газ
257
300
67
-
-
о
1123
I
NaN0
2
359,0
]21
69
14,9
0:1
кр
-
О
1127
Na
20
кр
(куб)
414,8
75,3
69,0
365*
-
:si
о
газ
42
272
57
- -
--i
1130а
NaMn0
4
., 1682
160
tX:J
кр
-
-
-
>
1131
Na
202
кр
(геке)
513
95
89,3
16,7
s
*
-
........
]]33
NaCI0
4
377,8
144,0
]10,4
;:s
кр
-
-
1:3
С
1]37
Na
2Se
кр
343
105
- - -
~
1138 Na
2Si
2
Olj
кр
(МОН)
2474
164
157,0
407*
-
~
1139
Nа2SiОз
1564
113,8
111,9
54
$::1
кр
-
0\
еткл
1528
-
-
-
---
?оа
1]40
I Na
4Si0
4
кр
(МОН)
2281
197
]81,6
-
-
......
е
еткл
2253
-
-
-
1141
I Na2S04
кр
(ромб,
а)
1389,5
149,6
128,0
24,38*
газ
1070
345
105
-
1142
Na
2S04·
1O
H20
кр
4329,6
592
549,4
79,0
1143
NaHS0
4
кр
]132
125
-
]0,4
1144
NaHS0
4·H
2
O
кр
1420
170
-
15
1]45
Na2S207
кр
1938
-
-
40,8
1146
Na
2S
кр
359 98
79
30, ]
1147
NaHS
кр
238
-
-
1]48
Na2S4
кр
411
-
]70
]149
Nа2S0з
кр
]095
146
]20,1
I
26
1150
Nа2S0з·7Н20
кр
3153
450
420
]153
Na2Te
кр
314 1]5
-
I
14
]]55
Nа2S20з·5Н20
кр
2621
313,5
360,7
23,4
]]58
NaU0
2
(СН~СОО)з
кр
2725
370
-
]159
I
Na2I-J
Р
О
4
,
2
Н
2
О
кр
2346
221
2]],3
1]60
NЗ2НРО4·7Н20
кр
3821
434
438
...
Куб
,
-+кр.
(а)
32,0
кДж,моль-
1
кр
,
(Gt)-+ромб.
4,1
кДж,моль-
1.
*.
под
давлением
11
МПа.
З*
Мон.
-+
г
екс
,
1,9
к.Лж-мояь
"?
•
..
Куб.
-
ромб.
23
кДж,моль-
1
;
ромб.
-+
кр
,
(1)
:г,О
кДж,моль-l~
lКР'
(1)
-.
кр,
(8) 9,1
КДЖ'МОJIь-
1
•
б*
Куб.
-
кр
,
(~)
1,3
кдж.моль-
1
:
кр
,
(~)
-+
кр,
(1)
9
кДж.моль-
•
(*
Гекс
,
-+
кр
,
5,4
кДж,моль
-1.
'1*
МОН.
-+
ромб.
6,3
кДж,моль-
1
•
1~
.....
Ромб.
(")
~
ромб.
(~)
0,31
Кдж-моль
-1;
ромб.
(;)
-+
гекс
, 10,9
кдж,моль
-1.

о
6.Н
фазовых
первхолов
,
М
-~Нобр'
80,
I
СО.
кДж.моль
-1
ао
таБJl.
12
Вещество
Состояние
-1
-1
Р
кдж.моль-
1
Дж.моль
·К
Д
-1
к-1
I
испарение
I
ж-моль
.
плавление
1161
NЭ2НРО4·12Н20
кр
5298
636
645
-
-
1164
Na
4P2
07 кр
3166
270
241
59
-
1165
Na
4P
20
7810H
2O
кр
6125
689
645
110
-
1
]66а
Na2H2P207
кр
2764
220
198,2
-
-
1167
NаРОз
кр
1220
95,5
86,6
17,3
-
сткл
]212
-
-
-
-
1168
Na
Z
P04
кр
1917 173,8
153,5
-
-
1169
Na
zP0
4·12H
2O
кр
5480
660
665
- -
1170
NaF
кр
573
51,2
46,8
33,5
177
газ
288 217,50
34,22
-
-
1171
Nа
з
[АIР
6
]
кр
3312
238
215,9
1'13
-
1173
Na
[ВР
4]
кр
(ромб)
1845 145,3
120,2 13,6*
-
1174
Na2 rSiF
B
]
кр
2913 207,1
187, ] 99,6**
-
1175
NаСIО
з
кр
358 126
104,6
21,3
-
1176
NaCl
кр
411,4 72,1
50,5
28,2
138
газ
182,3
229,68
35,79
-
-
1182
Na
2Cr0
4
кр
(ромб)
1343,0
176,6
142,1
24,7
З*
-
1183
Na2CrO.j·10H20
кр
4277
-
-
64
-
1184а
N
a2
Cr
207
кр
1983
-
250
-
-
1186 NaCN
кр
91
115,7
70,4
18
-
1189
Nd
кр
(гекс)
О
72
27,4
_4*
-
1]90
Nd
(ВrОз)з·9Н20
кр
3583
-
-
-
-
1193
нес,
кр
52 108,8
-
-
-
l"аз
-545
264
44
-
-
1196
Nd
2О
з
кр
1808
158,6
111,3
-
-
1197
Nd
2
(S04)3
·8Н
2О
кр
6382,3
-
-
-
-
1198
Nd
2S
з
кр
1125
185,3
122,6
-
-
]199
NdF
з
кр
]713
121
95
54,7
-
газ
1319
346
75
-
-
1200
NdСl
з
кр
1041
153,0
99,2
50,2
209
газ
721
380
82
-
-
1201
несь.ен,о
I
кр
2874
416
361
-
-
1202 Ne
газ
О
146,22
20,786
0,33
1,79
t\:)
ел
ф
~
t'r1
"tj
з:
о
}::2
:s:
~
>
з:
::s:
J:
t'r1
о
;:а:::
::s:
~

J203
INp
кр
(ромб)
О
50
29,5
5,2
422
о
t:J:j
газ
-464
197,6
20,8
-
-
о
1205
Np02
кр
1074
80,3
66,2
-
-
:s!
о
1208
NpF
s
кр
-
229,1
167,4
17,5
29,5
~
t:J:j
газ
-
377
129
-
-
>
1209
NрСl
з
кр
.,
900
155
-
-
-
......-.
]210
NpC1
4
980
200
-
-
:::t
кр
-
"t's
О
газ
788
-
-
-
-
~
1211
Ni
кр
О
29,9
26,1
17,5
370
~
газ
-429
182,1
23,3
-
-
Q
0\
1212
NiSb
кр
66
-
-
-
-
~
1214
мв-,
кр
214
129
-
-
224,6
(возг)
......
C1'I
газ
-20
317
59,4
'"
1215 Ni
(ОН)2
кр5*
543
79,9
1218
NiI
2
кр
82,4
-
1219
мсо,
кр
694
86,2
86,2
1220
Ni(CO)4
ж
630
3]3,4
204,6
I
13,8
I
29,8
1221
Ni(NОJ::.БН
2
О
кр
2215
511
462
4]
,4
(разя)
29,8
1222
NiO
кр
239,7
38,0
44,3
газ
-314
241
33,9
1226 Ni
2Si
кр
141
-
70
1227
мзо,
кр
873,5
104
97,7
1228
NiS0
4·7H
2O
кр
2977
378,9
364,6
1229 NiS
кр
(гекс,
а)
79
53,0
47,1
I
_6*
1230
Ni
ЗS
2
кр
194
133,9
117,7
1231
Ni
2P
кр
184
-
-
1232 NiF
2
кр
658
73,6
64,1
I
-
I
284
(возг)
газ
325
269
51,5
-
-
1234
INiC1
2
кр
304
98,1
71,7
77,3
225
(ВОЗГ)
газ
66
294
I
56,9
I
1236
[Ni
(NНз)s]
12
кр
789,1
...
Ромб.
-+
мои.
б,7
Кдж.
моль
-1.
**
Гекс.
-+
кр
, 41,4
кДж,моль
-1.
3*
Ромб.
-+
гене.
9,6
кДж,моль
-1.
,*
ffKC.
-+
куб.
~,O
кДж,моль
-1
•
..
*
П
осле
старения.
i~
,.;,
Геке,
(а)
-+
гскс
,
(~)
- 2,6
кДж
-моль
-1.

-А#~бР'
о
/!"Н
фазовых
переходов,
М
з«,
ер,
кДж-моль
-1
по
табя
, 12
Вещество
Состоиние
дж_моль-
1
.
к
-
1
кдж-моль-
t
Дж
-моль
-1.
к-
1
плавление
I
испарение
1237
[Ni(NНз)в]
С1
2
кр
997
-
-
-
-
1238
Nb
кр
О
26,6
24,6
28
662
газ
-723
186,2
30,2
-
-
1240
мьв-,
КР
556
305
156
з6
75,7
1241
NbC
кр
135
35,4
36,9
-
-
1242
NbN
кр
(гекс)
234
33,3
37,5
- -
1243
NbO
кр
406
50,2
41,3
-
-
газ
-200
239
31,0
-
-
1244
»ьо,
кр
795,4
54,5
57,5
-
-
1245
Nb
20
6
кр
1898
137,2
132,1
102,9
-
1246
NbF
6
кр
1813,8 157
134,9
12,2
51,0
1247
ньсь
кр
797 226
148
33.9
52,3
газ
703
407
120,5
-
-
1248
Sn
кр
[т
етр
аг)
О
51,5
26,0
7,2*
(гекс)
296,1
кр
(куб)
2
44,]
25,8
-
-
газ
-302
168,4
21,3
-
-
1249
Sn
(СН
зСОО)2
кр
977
- -
-
-
1250
SnBr2
кр
260.0 146,0
-
7
97
1251
SnBr
4
кр
(ромб)
405,8
-
-
11
**
37
газ
348,1
412
103,3
-
-
1254
SnI
2
кр
145,2
t68,6
-
-
100
1255
SnI
4
кр
199,2
-
-
19,2
50
1256
SnO
кр
286,0 56
44
-
-
газ
-21
232,01
31.76
-
-
1257
Sn02
кр
(тетраг)
581
52
53
_3.
-
1258
эьзо,
кр
887
-
-
-
-
1259
SnS
кр
110
77,0
49,2
31,6
156
газ
-110
243,5
34,5
-
-
1260 SnS2
кр
82,4 87,4
70,1
-
-
1261
SnTe
Кр.
60,7
-
-
45
-
газ
-161
263,2
36,5
-
-
1262
SnF
2
кр
649
-
-
-
1]3
1264
SnC1
2
кр
331,0
-
122,6
12,6
71
~
QO
-t
rт:1
"
~
о
J::3
:s:
:с
>
~
:s:
.r=
rт:1
о
~
~
tr;

1266
SnC1
4
ж
528,9
300
165,3
9
37
~
таз
489,1
365
98,3
tc
-
-
о
1267
05
кр
О
33
24,7
32
748
:s1
о
газ
-190
192,5
20,8
-
-
~
1268
0504
кр
394 137
-
]4
37
~
>
газ
336
293,6
74,0
-
-
~
1269
0552
кр
144
54,8
-
-
-
;3
"t's
1270
05Р
в
кр
7
27,6
е
-
-
-
~
газ
-
358
120,9
-
-
IO;J
1271
оял,
кр
191
-
-
- -
Q
0\
1272
05C1
4
к-р
255,2
155
-
-
-
~
1273
Pd
кр
О
37,7
25,9
17
353
~
CIt
1274
PdBr2
кр
120
~
газ
-]09
1275
PdI
2
кр
63
1277
PdO
кр
115,5
I
39
I
31,4
1280
PdS
кр
77
56
1283
нсь
кр
163
1284
[Pd
о-н,ь
сы
кр
429,3
1286
Pt
кр
о
41,5
I
25,9
I
20
I
510
газ
-566
192,3
25,5
1287
l-'tАs
2
кр
218
31,9
1288
ив-,
кр
100
154
1289
ив-,
кр
159
263
1290
иь
кр
63
1291
гп,
кр
84
1292
PtI
4
кр
59,4
281
1293
Pt0
2
кр
134
-
1294
PtS
кр
83
55.1
I
43,4
1295
Pt5
2
кр
112
74,7
65,9
1297
PtF
6
кр
(куб)
-
273.7
-
I
54*
I
30
1298
ись
кр
106,7 129
1299
но,
кр
168,2
151,5
1300
PtCl,
кр
229,3
195,8
•
Ttaтpar.
~
гекс,
0,21
кйж
-иояь
-1;
куб.
-+
тетраг
, 2,08
кДж.моль
-1
•
••
1-1011.
-.
ромб.
1,26
кДж
-моль
-1.
,.
Тетраг.
~
кр
,
1,9
кДж.моль
-1.
1 t-.=)
'*
Ромб.
-+
куб.
7,8
кДж.моль
-1.
I~

~
о')
<:)
-J
['Ij
"
~
о
~
:s:
:r:
>
~
:s:
..r:
rr1
о
;::::
:s:
rrз
О
О
АН
фазовых
переходов,
М
-АН
о б
р'
з«,
ер.
КДЖ
оМОJlь-
1
Вещество
Состоиние
Дж-моль
-1·
к-l
о
табл.
12
кйж-моль
-1
Дж-моль
-l.
к-l
I
плавление
испарение
1307
Pu
кр
(МОИ)
О
56,0
32,8
2,8
351
газ
-347
177,1
20,9
-
-
1308
РuВr
э
кр
740
191
-
51
-
1309
РuI
з
кр
541
-
-
-
-
1310
PuN
кр
299
68
50
-
-
1311
РиО
кр
565
71
-
-
-
1312
РиО2
кр
1055,8
82
69
70,3
-
1313
РuF
э
кр
1566
126,1
92,6
-
-
13]4
РиР
4
кр
1835
147,2
116,2
-
-
газ
1518
334,7
91,2
-
-
1315
РиР
в
кр
1854
221,8
-
18,7 30,1
газ
1805
369
]29
-
-
1316
РuСl
з
кр
959 164
-
56
-
газ
637
-
-
-
-
1317
Ро
кр
(куб)
О
63
26,4
13
59
1318
РоО
2
кр
251
72 61
-
-
1320
Pr
кр
(гекс)
О
74
27,4
6,9
297
газ
-356
189,7
21,4
-
-
1322
РrВr
з
газ
- 412
84
47,3
167
1325
Pr0
2
кр
949
-
-
-
-
1328
т-сь
кр
1058
153,3
99,0
50,6
213
газ
730 379
82
-
-
1329
РrСl
з
·
7
Н
2
О
кр 3178
465
419
-
-
1330
Ra
кр
О
69
29
7,9
132
газ
-162
176,3
20,786
- -
1331
RaBr
2
кр
782,4
155
77
-
-
1332
RaS04
кр
1473
142
-
-
-
1333
RaC1
2
кр
869,0
134
75
-
-
1334
Rn
газ
О
167,76
20,786
2,89
16,8
1335 Re
кр
О
36,5
25,2
33
715
1336
Re2
(СО)10
кр
1666,1
512
402 9
-
газ
1583,2
-
-
-
-
1337
Re02
кр
449 57
-
-
-
n