1.5.4. Обеспечение селективности при применении УЗО
По условиям функционирования УЗО подразделяют на следующие типы:
          - АС – устройство защитного отключения, реагирующее на переменный
синусоидальный   дифференциальный   ток,   возникающий   внезапно,   либо
медленно возрастающий;
           - А – устройство защитного отключения, реагирующее на переменный
синусоидальный     дифференциальный   ток   и   пульсирующий   постоянный
дифференциальный ток, возникающие внезапно, либо медленно возрастающие;
          - В – устройство защитного отключения, реагирующее на переменный,
постоянный и выпрямленный дифференциальные токи;
               -  S  – устройство защитного отключения, селективное (с выдержкой
времени отключения);
       - G – то же, что и тип S, но с меньшей выдержкой времени.
       Источником    пульсирующего    тока     являются,   например,    стиральные
машины с регуляторами скорости, регулируемые источники света, телевизоры,
видеомагнитофоны, персональные компьютеры и др.
В   жилых   зданиях,   как   правило,   должны   применяться   УЗО   типа   А,
реагирующие   не   только   на   переменные,   но   и   на   пульсирующие   токи
повреждений.
Практически   все   персональные   компьютеры,   телевизоры,   видеомаг-
нитофоны имеют импульсные блоки питания; все последние модели электро-
инструмента, стиральных машин, швейных машин, бытовых кухонных электро-
приборов снабжены тиристорными регуляторами без разделительного транс-
форматора. Широко применяются различные светильники – торшеры,  бра с
тиристорными светорегуляторами.
Следовательно,   вероятность   возникновения   утечки   пульсирующего
постоянного тока, а значит и поражения человека значительно возросла, что
явилось причиной для внедрения УЗО типа А.
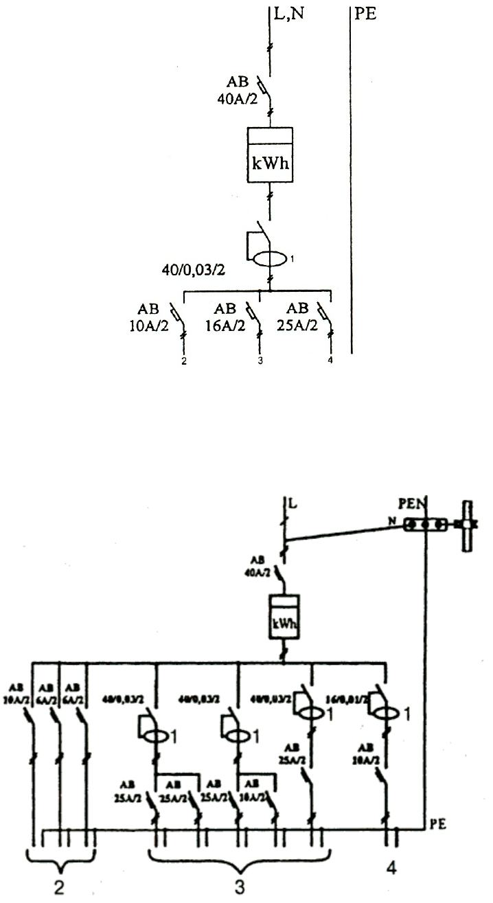
УЗО устанавливают [21]: