технико-экономического основания, сопоставляя режимы работы как самого привода, так и
питающей системы. При выборе закона АРВ СД можно пользоваться следующими
рекомендациями:
1.
В системах с равномерной нагрузкой и стабильным уровнем напряжения
целесообразно работу СД осуществлять с неизменным током возбуждения, обеспечивающим
оптимальный режим.
2.
В системах с равномерной нагрузкой и изменяющимся уровнем напряжения
вследствие дефицита реактивной мощности целесообразно регулировать возбуждение СД на
постоянство напряжения на шинах питающей подстанции с ограничением по максимальному
значению тока ротора.
3.
В системах с неравномерной нагрузкой в качестве закона АРВ СД целесообразно
применять регулирование на поддержание оптимального напряжения узла нагрузки.
4.
Для синхронных ЭП большой мощности (<1000кВТ), работающих на
резкопеременную нагрузку, целесообразно применять закон АРВ на постоянство отдачи
реактивной мощности.
5.
Для синхронных ЭП широкого диапазона мощностей, работающих с медленно
меняющейся нагрузкой, возможно применение закона регулирования возбуждения на
постоянство коэффициента мощности на шинах питающей подстанции.
Для осуществления требуемых динамических режимов при возмущающих воздействиях
в системе электропривода используют гибкие обратные связи по производной активной
составляющей тока статора, обеспечивающей демпфирование колебаний ротора при наборосе
нагру
зки на вал СД, и квадрату активного или полного тока статора, по повышающей
быстродействие системы автоматического регулирования за счёт фарсировки тока
возбуждения.
Как правило, регулирование возбуждения СД осуществляется по более сложным
алгоритмам, включающим и сигналы гибких обратных связей.
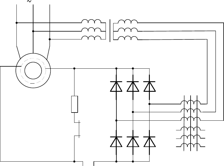
Система управления синхронного электропривода с суммирующим усилителем
Рассмотрим систему, обеспечивающую автоматическое регулирование напряжение
возбуждения СД с суммирующим усилителем на примере комплексного тиристоргного
возбудителя с АРВ серии ТЕ8. Функциональная схема такой системы приведена на рисунке
5.41. Обмотка статора высоковольтного СД питается от сети (от ЛЭП через понижающий
трансформатор Т1) U
C1
=10кВ. Обмотка возбуждения двигателя питается от тиристорного
возбудителя UL, подключенного к сети низкого напряжения U
C2
=380В через трансформатор
Т2. Управление тиристорами обеспечивает система импульсно-фазового управления (СИФУ)
AUL.
Система автоматического регулирования тока возбуждения синхронного
электропривода включает в себя задатчик тока возбуждения двигателя в виде управляемого
задатчика статического режима S и задатчика угла сдвига тока статора от его напряжения Sϕ;
измерительные устройства обратных связей, необходимых для формирования алгоритмов
у
правления, в которые входят: датчик напряжения статора U, подключённый через
трансформатор TV, датчик тока питающей сети UA1 и тока статора UA2, подключённые к
трансформаторам тока TA1 и ТА2, и датчик тока возбуждения UA3, подключённый к
трансформаторам ТА3, а также суммирующий усилитель напряжения и тока А.