
літуд
постійн
ють детектори з відкритим та закритим входами (рис.3.4,
а та
3.4,
б
ні вольтметри будують за першою схемою детектор-підсилювач, оскільки
підсилювач ого струму має великий вхідний опір.
В детекторах середньоквадратичного значення використовуються діоди з
квадратичною ділянкою вольт-амперної характеристики або термоперетворю-
вачі.
Розрізня
).
Рисунок 3.4
В детекторах із відкритим входом -
ги проходить через діод на вихід детектора рити
– не проходить.
У відповідності з тим, як
такі ж назви: вольтметри ампліт
го значення.
Одним із найважливіших
ні метрологічні ха-
рактеристики вольтметра, є підс , або змінного струму).
Як уже відмічалось, основним недоліком ППС є дрейф нуля.
Від підсилювачів змінного струму вимагається високий та стабільний ко-
б
ги. Вольтметри середнього значен-
ня найчастіше градуюються в середніх (діючих) значеннях на-
пруги синусоїдної форми. Для визначення діючих значень напруг, форма яких
відрізняється від синусоїди, потрі ефіцієнт форми кривої. Якщо це
не враховувати
постійна складова вимірюваної напру
, а в детекторах із зак м входом
ий детектор застосовується, вольтметри мають
удного, середнього та середнього квадратично-
вузлів, які визначають
основ
илювач (або постійного
ефіцієнт підсилення, малі нелінійні спотворення, нечутливість до зовнішніх
факторів. Для цього в підсилювачі (як правило, агатокаскадні) вводиться зво-
ротний зв’
язок.
Вольтметри амплітудного та середнього значення мають похибки, які за-
лежать від форми кривої вимірюваної напру
квадратичних
бно знати ко
, то
при вимірюваннях можуть виникати великі похибки.
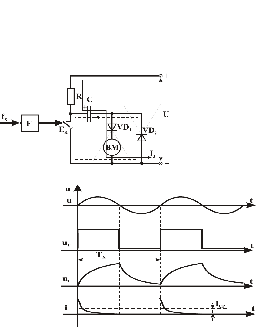
3.1.1 Амплітудний (піковий) вольтметр
Покази амплітудного вольтметра прямо пропорційні амплітудному зна-
ченню змінної напруги незалежно від форми кривої напруги. Такої властивості
не має жодна із систем електромеханічних приладів.
Амплітудні вольтметри будуються за схемою детектор-підсилювач і то-
му мають найширший частотний діапазон (від десятків Гц до одиниць ГГц).