Пример 5. схема моделирования системы из двух дифферен-
циальных уравнений
1 1 2 2 12
32 5 6,y y y y yy= - + =- -
имеет вид, показанный на рис. 3.18. она содержит два интегра-
тора, два сумматора и три усилителя.
Пример 6. на рис. 3.19 показана схема моделирования объек-
та второго порядка, задаваемого уравнениями
1 24 5
25
3 18 2
, [ ].uy
é ù éù
--
ê ú êú
= +=
ê ú êú
--
ë û ëû
XX X
схема составлена непосредственно по уравнениям, она вклю-
чает два интегратора, три сумматора и семь усилителей для
умножения на постоянные коэффициенты (по числу неединич-
ных элементов матриц).
3.5. Эквивалентные схемы моделирования
Метод кельвина позволяет строить схемы моделирования
для линейных и нелинейных дифференциальных уравнений, а
также для систем таких уравнений. соответствующая методика
проста и достаточно универсальна. однако это не единственный
метод моделирования.
Фактически для каждого дифференциального уравнения
можно составить много схем, имеющих разную структуру – па-
раллельную, последовательную, цепную и др. с математической
точки зрения они будут эквивалентными, однако их технические
характеристики – сложность, вычислительная устойчивость,
удобство реализации – могут существенно различаться.
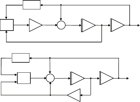
Поясним это на примере линейного дифференциального урав-
нения третьего порядка
(3.12)
на рис. 3.20 приведены два варианта схемы моделирования
этого уравнения.
Первая из них построена по методу кельвина, вторая схема
представляет собой зеркальное отображение первой. она имеет
те же элементы и коэффициенты, но отличается направлением
прохождения сигналов, это так называемая дуальная схема.