
В. В. Покотилов: Пособие по расчету систем отопления
В. В. Покотилов: Пособие по расчету систем отопления
Клапаны ГЕРЦ-TS-90-E выпускаются
сравнению с клапанами ГЕРЦ-TS-E гидрав-
лическое сопротивление, имеют большее
разнообразие по типу исполнения и поэтому
наиболее приемлемы для двухтрубных си-
стем с естественной циркуляцией, а также
для двухтрубных насосных систем при зна-
чительном расходе теплоносителя через
отопительный прибор 100-400 кг/ч.
Гидравлический расчет производится по
вышеприведенным характеристикам при
степени открытия клапана 2К.
Клапаны ГЕРЦ-TS-E выпускаются диаме-
ние в два раза меньше, поэтому они наибо-
лее приемлемы для однотрубных насосных
систем отопления. Для насосных однотруб-
ных систем отопления проектируемых зда-
ний следует также принимать трехходовой
клапан ГЕРЦ CALIS-TS (см. раздел 7.1). В
существующем жилом фонде, в администра-
тивных и общественных зданиях, требующих
реконструкции отопительных систем, следу-
ет вмонтировать регулирующую арматуру на
каждый отопительный прибор. Реконструк-
ция таких систем с использованием клапа-
на ГЕРЦ CALIS-TS требует значительных
трудозатрат, а применение для этих целей
клапана ГЕРЦ-TS-E является эффективным
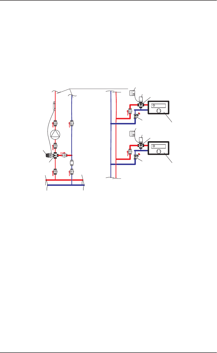
Клапан ГЕРЦ-TS-E встраивается в унифи-
цированные узлы системы отопления по схе-
ме, показанной на рис. 7.21. При такой схеме
применения термостатического клапана
гидравлический расчет следует проводить
при степени открытия клапана 3К. Учитывая
это, а также рассматривая различные соче-
, были рассчитаны гидравличе-
СТ
, были рассчитаны гидравличе-
СТ
.
, были рассчитаны гидравличе-
.
ские характеристики для унифицированных
Результаты расчета в виде характеристи-
коэффициента местного сопротивления
и коэффициента затекания в отопительный
Как видно из представленных характери-
стик, коэффициент затекания
клапана в термостатическом режиме (сте-
пень открытия 3К и менее) не превышает
значения 0,30. Расчетные значения коэф-
для последующего теплотехнического рас-
чета отопительных приборов.
Из анализа представленных данных
можно сделать следующие выводы:
1. Термостатические клапаны ГЕРЦ-TS-
90-E и ГЕРЦ-TS-E повышенной пропускной
способности могут применяться для самых
различных теплообменных устройств, для
отопительных приборов, теплообменников,
калориферов, напольного отопления и др.
2. Клапаны ГЕРЦ-TS-90-E наиболее
приемлемы для проектирования и рекон-
струкции двухтрубных систем с естествен-
ной циркуляцией и для двухтрубных насо-
сных систем при значительном расходе
теплоносителя через отопительный прибор
100-400 кг/ч. Гидравлический расчет произ-
водится по характеристикам, приведенным
на рис. 7.19, при степени открытия клапана
3. Клапаны ГЕРЦ-TS-E наиболее при-
емлемы для однотрубных насосных систем
отопления, особенно при реконструкции су-
ществующих отопительных систем.
Клапан встраивается в унифицированные
узлы системы отопления по схеме, показан-
ной на рис. 7.21. При этом гидравлический
расчет следует проводить при степени
открытия клапана 3К. Гидравлические ха-
рактеристики при реконструкции унифици-
рованных узлов приведены на рис. 7.21 при
степени открытия клапана 3К.