
первого слоя покрытия. Эти преобразователи, попадая на ржавую
поверхность, вступают в химическое взаимодействие с теми сое-
динениями железа, которые образуют ржавчину, и
переводя?
их
в химические вещества, нерастворимые в воде и являющиеся од-
новременно пассиваторами коррозии.
Шпаклевание предназначено для выравнивания оставших-
ся после ремонта неровностей на поверхности деталей.
Шпаклевка представляет собой густую пасту и состоит из
пигментов (красителей) и наполнителей (мел, охра и др.), изго-
товленных на различных разбавителях. Шпаклевку наносят вруч-
ную шпателем или способом воздушного распыления
слоем
не
более 0,5 мм. Более толстый слой высыхает неравномерно, рас-
трескивается и отслаивается. Нельзя наносить последующий слой
шпаклевки на невысохший предыдущий слой.
Наибольшее распространение при ремонте автомобилей
полу-
чил ручной способ шпаклевания.
Шлифование имеет своей целью сглаживание неровностей
на зашпаклеванной поверхности и выполняется после каждой опе-
рации шпаклевки. Операцию шлифования шпаклеванной поверх-
ности следует производить очень тщательно, так как малейший
дефект и шероховатость, оставшиеся после шлифовки, будут рез-
ко выделяться на окрашенной поверхности.
Различают два вида шлифования — сухое и мокрое. В послед-
нем случае шлифуемая поверхность в процессе обработки обильно
смачивается водой или другой жидкостью. Мокрое шлифование
дает наилучшие результаты. В качестве шлифующего материала
используется пемза и водостойкое полотно с тонкими абразивами.
При механическом шлифовании зашпаклеванных поверхностей
применяют различные переносные шлифовальные инструменты с
электрическим или пневматическим приводом. При мокром шли-
фовании наиболее удобно и безопасно пользоваться инструмента-
ми с пневматическим приводом.
После шлифования обрабатываемую поверхность промывают
водой, протирают ветошью и просушивают, обдувая
сжатым'воз-
духом.
Завершающим этапом технологического процесса нанесения ла-
кокрасочного покрытия является
окраска,
которая может осу-
ществляться следующими способами: вручную; с помощью кистей
и накатных валиков; окунанием; с помощью механических валь-
цов; воздушным и безвоздушным распылением; распылением в
электрическом поле.
Окраска кистями и
накатными
валиками не
имеет широкого применения,
особенно
при использовании быстро-
сохнущих лакокрасочных материалов. Преимуществами этого ме-
тода является простота и универсальность, позволяющая окраши-
вать поверхности различных размеров и конфигураций. Кроме
того, при окрашивании кистью достигается хорошее сцепление
краски с поверхностью детали за счет втирания. Недостатками
этого способа являются: низкая производительность, большая тру-
206
доемкость и неравномерность покрытия, особенно на больших
площадях.
Окраска
окунанием
4
— самый производительный и де-
шевый способ нанесения лакокрасочных покрытий. При окраске
окунанием хорошо прокрашиваются детали сложной формы, что
обеспечивает надежную защиту их от коррозии. Окраска окуна-
нием удобна при выполнении этой
операции
на конвейерной ли-
нии, а также при окрашивании деталей, для которых не требует-
ся тщательная отделка поверхности, так как на окрашенной
поверхности образуется значительное количество потеков. При ок-
раске окунанием можно получить пленку различной толщины, что
зависит от вязкости и быстроты высыхания
-краски,
а также от
формы окрашиваемой поверхности.
При окрашивании плоских деталей, например листовой стали
или досок платформы кузова грузового автомобиля, применяется
способ нанесения краски с помощью механических
валь-
цов,
между
кбторыми
пропускается окрашиваемая деталь.
Воздушное
(пневматическое)
распыление
яв-
ляется одним из наиболее распространенных способов нанесения
краски на поверхности деталей. При этом способе окраски лако-
красочный материал под действием сжатого воздуха
распылива-
ется в краскораспылителе на мельчайшие капли, которые, попа-
дая на окрашиваемую поверхность, сливаются друг с другом и
образуют покрытие. Пневматический способ окраски краскорас-
пылителем имеет высокую производительность и более экономи-
чен по сравнению с ручным способом. Схема
краскораспылитель-
ной установки воздушного распыления представлена на рис. III.
7.2. Разведенная краска из нагнетательного бачка по шлангу 2
поступает
в пистолет-краскораспылитель / и
напыливается
на ок-
рашиваемую поверхность. Воздух от компрессора по шлангу 6 че-
рез масловлагоотделитель 7 поступает к краскораспылителю
/
под давлением
0,3—0,4
МПа. С помощью регулятора 5 давления
в нагнетательном бачке 3 устанавливается давление
0,15—0,20
МПа. Для обеспечения одинаковой консистенции краски бачок 3
снабжен мешалкой 4.
В зависимости от способа подачи краски
'к
соплу краскорас-
пылителя пульверизаторы бывают трех типов:
пульверизаторы с резервуаром для краски, смонтированным
на верхней части корпуса пистолета. Подача краски в этом
случае производится самотеком под действием силы тяжести
(рис.
III.7.3);
пульверизаторы, у которых резервуар с краской расположен в
нижней части корпуса пистолета (рис.
1П.7.4).
Подача краски в
этой
конструкции краскораспылителя производится под действием
эжекции
(подсоса) воздушной струей;
пульверизаторы, к которым краска подается под давлением
из отдельного красконагнетательного бака (см. рис.
III.7.2).
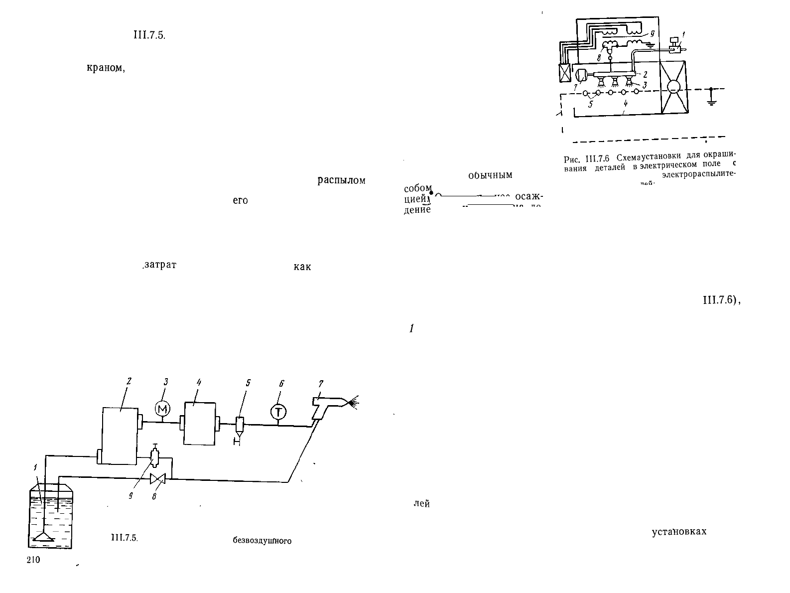
Безвоздушное
распыление
краски происходит за
счет
превращения потенциальной энергии краски, находящейся под
;
207