124
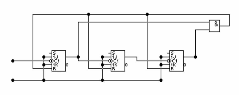
обратной связи введенная в регистр информация будет циркулировать по
регистру сдвига. Сигналом очистки регистра (установки его выходов в со-
стояние 0000) является уровень логического нуля на входах R всех триг-
геров. Входы параллельной загрузки данных A, В, С, D связаны со вхо-
дами S предварительной установки триггеров. Если на один из входов по-
дать логический нуль, то на соответствующем выходе будет установлена
логическая единица.
Подача тактовых импульсов на входы С всех триггеров приводит к
сдвигу информации в регистре вправо (кольцевое перемещение информа-
ции).
Для поочередной работы на общую для нескольких регистров магист-
раль в режиме разделения времени их выходы часто содержат специаль-
ные элементы с тремя состояниями: «1», «0» и «отключено» (отключение
от нагрузки). В состоянии «отключено» выход элемента не потребляет и
не отдает тока в нагрузку. Если в каждый момент времени лишь один из
подключенных к магистральной шине регистров активен, а все остальные
отключены, то обеспечивается нормальный режим разделения времени.
9.5 ДВОИЧНЫЕ И ДВОИЧНО-КОДИРОВАННЫЕ СЧЕТЧИКИ
Специфической для счетчиков является микрооперация инкремента-
ции, т.е. изменения содержимого на единицу. Кроме того, ими выполня-
ются и такие микрооперации как установка в исходное состояние, хране-
ние, выдача слов.
Счетчики характеризуются, прежде всего, модулем счета (емкостью)
М. После каждых М сигналов счетчик возвращается к началу цикла счета.
По значению модуля счета различают двоичные (М=2
n
), двоично-
кодированные (с произвольным модулем, но кодированием состояний
двоичными кодами), счетчики с одинарным кодированием и др.
По направлению счета делятся на суммирующие (прямого счета), вы-
читающие (обратного счета) и реверсивные.
По способу организации межразрядных связей различают счетчики с
последовательным, параллельным и комбинированным переносами.
Основными режимами работы счетчиков являются регистрация числа
поступивших сигналов и деление частоты.
Структуры двоичных счетчиков можно получить, рассмотрев особен-
ности последовательности двоичных чисел. Рассмотрим последователь-
ность двоичных чисел от 0 до 7 в возрастающем порядке (табл. 9.4). Из
таблицы видно, что триггер младшего разряда а
0 переключается от каждого
входного сигнала ( 0 и 1 чередуется). В столбце следующего разряда 0 и 1
чередуются парами, затем четверками и т.д.
Частота переключений каждого последующего триггера уменьшается
вдвое по сравнению с частотой переключения предыдущего. Следователь-