
8. Дифференциальная защита трансформатора
Задание уставок срабатывания высокоомной защиты трансформаторов
В принципе, положения, обозначенные в разделе 3.4, справедливы и здесь.
Подробные рекомендации применения различных видов дифференциальной
защиты приведены в британском стандарте ESI (Электротехническая промыш-
ленность) стандарт 48-3: “Высокоомная дифференциальная защита, дейст-
вующая без выдержки времени “.
В данном стандарте приведены следующие рекомендации:
Значение порога срабатывания:
- Система с глухозаземленной нейтралью: 10 - 60% от номинального тока об-
мотки
- Система с резистивно-заземленной нейтралью: 10 - 25% от величины тока
КЗ на выводах
Оценка стабильности функционирования защиты должна производиться при
рассмотрении максимально-возможного тока КЗ, протекающего через защи-
щаемую обмотку (если данные недоступны ток принимается равным:16xI
ном
).
8.4 Устройства дифференциальной защиты трансформатора
Стандартные устройства защиты применимы для реализации защиты двухоб-
моточных и трехобмоточных трансформаторов (7UT612/613) [8-15, 8-16].
Для реализации защиты трансформатора на станциях со схемой полуторного
включения (см. примеры, приведенные далее) доступна версия устройства с 5
токовыми входами (7UT635).
Помимо функции дифференциальной за-
щиты, данные устройства также обладают
дополнительными функциями защиты та-
кими, как защита от перегрузки, максималь-
ная токовая защита, дифференциальная
защита от КЗ на землю, УРОВ и опциональ-
ной функцией защиты бака трансформато-
ра.
Варианты применения устройств защиты
приведены на следующих примерах.
Защита бака трансформатора является за-
щитой применяемой в практике релейной
защиты Франции и применяется она вместо
дифференциальной защиты. Для
реализа-
ции защиты монтаж трансформатора осуществляется с обеспечением изоля-
ции от земли и устройство защиты устанавливается в цепи заземления бака
трансформатора (рис. 8-21). Устройство защиты реагирует на ток, который про-
текает в данной цепи при КЗ между обмоткой и баком.
I
E
>
Рис. 8-21: Защита бака
В устройстве защиты 7UT6 предусмотрен чувствительный токовый вход (0.01 -
1.0xI
ном
) для обеспечения возможности реализации данной функции.
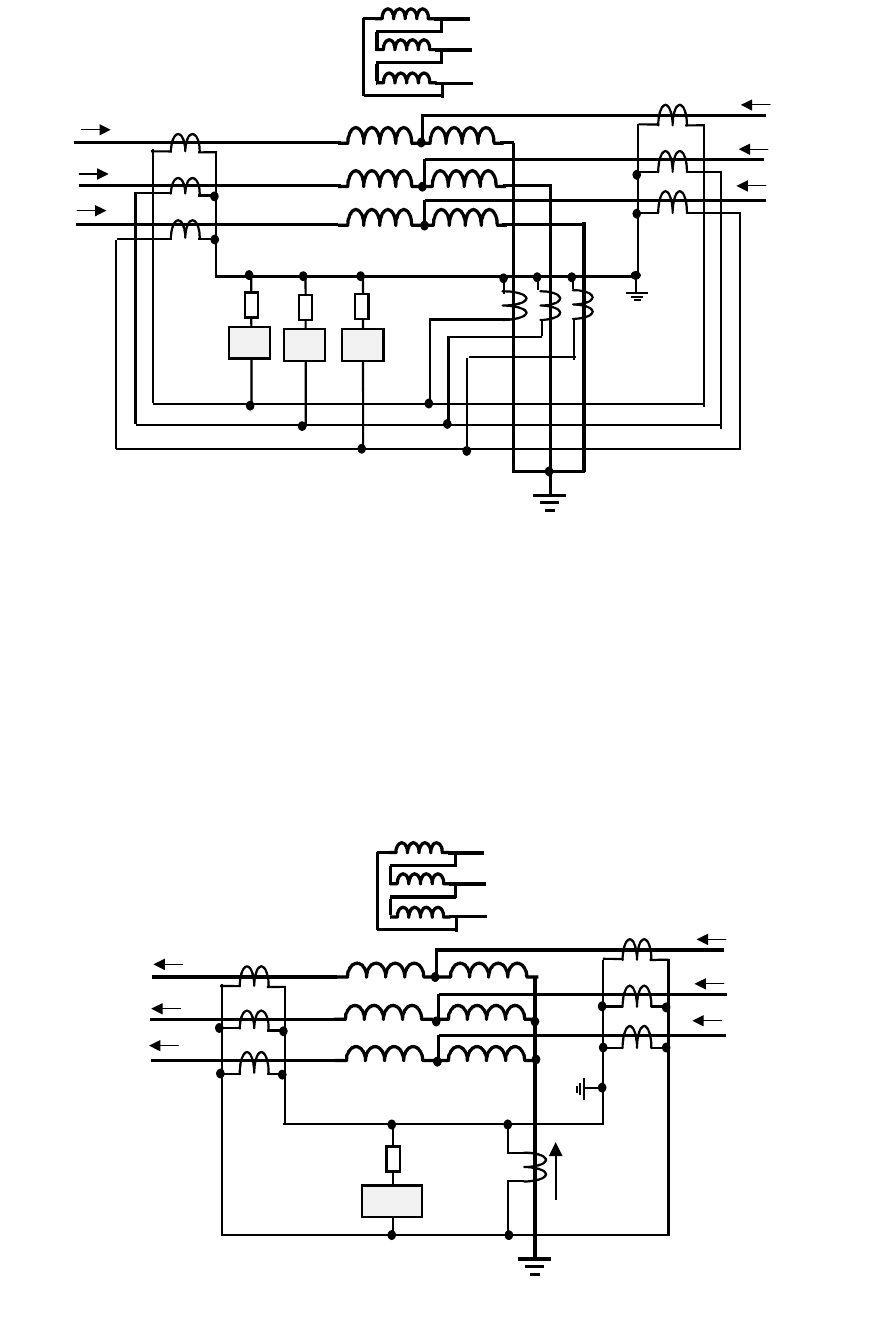
На рис. 8-22 приведены различные варианты подключения устройства защиты
7UT613.
Два токовых входа для токов нулевой последовательности, протекающих в це-
пи заземления нейтрали, могут быть использованы для повышения чувстви-
тельности срабатывания при КЗ на землю; входы также могут быть использова-
ны для компенсации тока нулевой последовательности I
0
для дифференциаль-
175