
9. Дифференциальная защита линии
Сопротивление провода канала связи можно измерить тем же образом. Для
этой цели необходимо активировать функцию компенсации емкости.
Измерения проводятся при замкнутой петле провода канала связи, при этом с
одного конца подводится испытательный ток (рисунок 9-11). Защита вычисляет
значение активного сопротивления согласно приведенному выражению.
Вопросы по применению
Дифференциальную защиту с двухжильным проводным каналом связи можно
использовать при длине кабелей канала связи до приблизительно 25 км. Кон-
фигурацию подключения проводов канала связи следует выполнять согласно
главе 6.1.1. Измерение токов ТТ включает требование, при котором рабочие
коэффициенты предельной кратности по обоим концам линии поддерживается
симметричным в диапазоне 3/4 ≤ ALF
1
‘ / ALF
2
‘ ≤ 4/3. Кроме того, ТТ не должны
насыщаться при протекании через них сквозного максимального тока повреж-
дения; при этом протекающий ток считается содержащим только апериодиче-
скую составляющую (коэффициент превышения K
TF
≥ 1).
Для обеспечения быстрого отключения при внутренних повреждениях с очень
большими токами КЗ, время до наступления насыщения ТТ должно составлять
как минимум 5 мс. Если номинальный ток ТТ и номинальный ток линии сильно
отличаются, можно задать адаптацию вычислений.
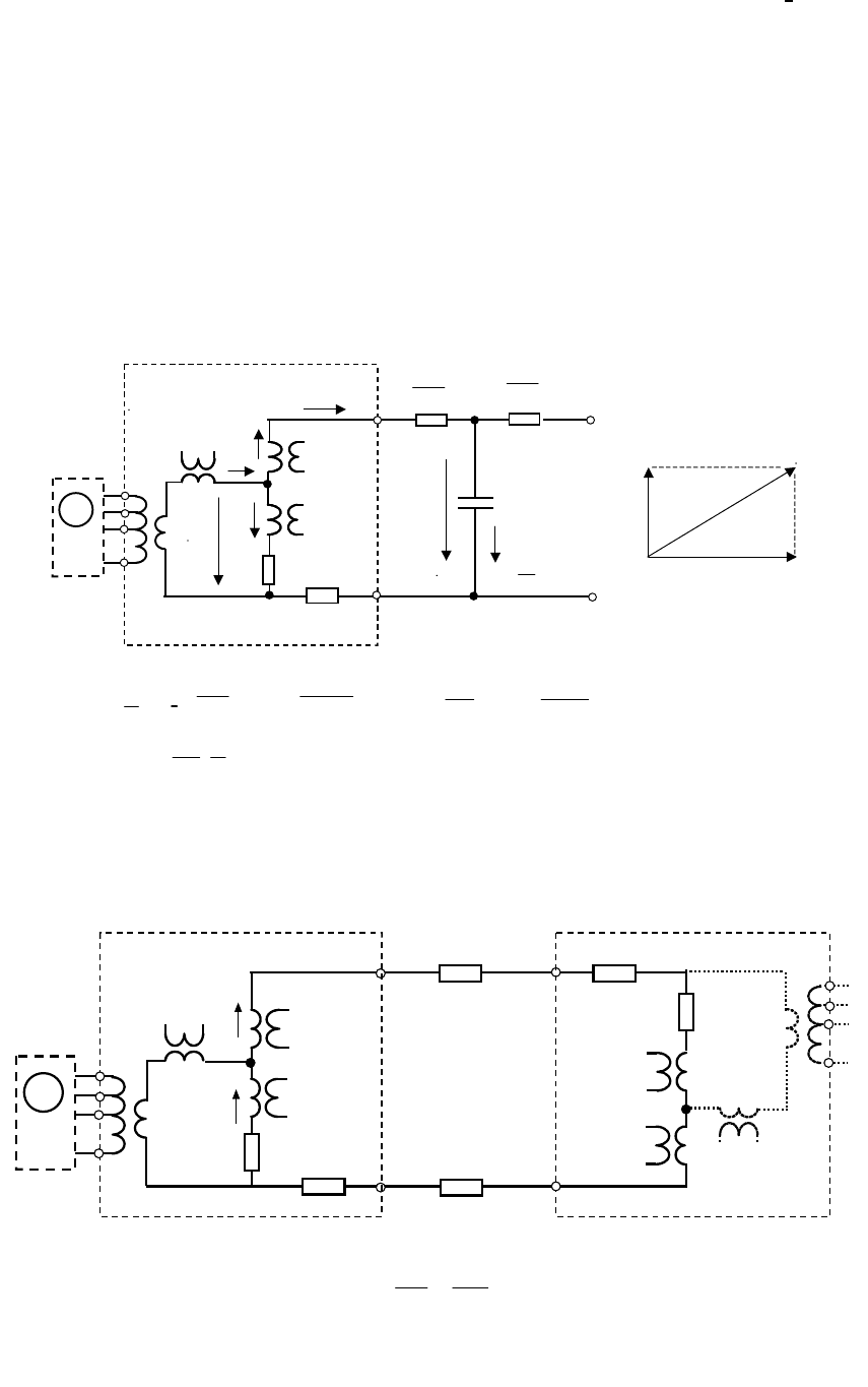
Дифференциальная защита 7SD600 с двухжильным проводным каналом связи
Это устройство является бюд-
жетным вариантом дифференци-
альной защиты с двухжильным
проводным каналом связи, кото-
рая использует тот же принцип
измерения, что и в устройстве
7SD502. Главным образом, эта
защита предназначена для защи-
ты кабелей в распределительных
сетях, в основном, за границей,
где защита с использованием
проводных каналов связи являет-
ся
установившейся практикой.
Суммирующий ТТ в этом устрой-
стве реализован внешне (рисунок
9-12). Максимальная длина проводов канала связи (телефонные кабели) огра-
ничено приблизительно 12 км (сопротивление петли 1200 Ом).
Рисунок 9-12: Реле 7SD600 с суммирую-
щим ТТ
9.3 Дифференциальная защита линии с цифровой передачей данных
Доступны версии устройства 7SD61 (для двухконцевых линий) и 7SD52 для ли-
ний с числом концов до 6 [9-4 и 9-5].
Эти
устройства защиты используют комбинацию микропроцессорных техноло-
гий и современных средств передачи данных оптимальным способом:
- Цифровая дифференциальная защита с обработкой векторов (пофазные
измерения).
- Быстрый синхронный обмен данными со скорость от 64 до 512 кБит/с.
203