117
параметры изменяются во времени, эффект от введения упредителя Смита 
снижается. 
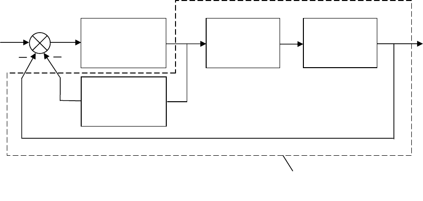
В  установившемся  режиме 
0)(
pW
мос
,  поэтому  введение 
упредителя  Смита  не  приводит  к  возникновению  статической  ошибки 
регулирования.  В  динамике,  поскольку  выполняется  условие (132) 
(эквивалентная  передаточная  функция  объекта  не  содержит  чистого 
запаздывания),  качество  переходных  процессов  в  замкнутой  АСР 
улучшается. 
 
6. Расчет настроек цифровых регуляторов [2
÷
5] 
 
         Системы  с  цифровым  вычислительным  устройством  в  контуре 
называют  системами  непосредственного  или  прямого  цифрового 
управления (НЦУ). 
Достоинства систем НЦУ по сравнению с аналоговыми системами: 
1.
  Гибкость - простота  перенастройки  изменением  программного 
обеспечения, 
2.
  Возможность  реализации  практически  любой  структуры  АСР  и 
самых различных законов регулирования, 
3.
  Возможность  построения  многоканальных  систем (систем 
обегающего  типа) – один  регулятор  поочередно  подключается  к 
нескольким каналам регулирования,  
4.
  Возможность  реализации  помимо  функции  регулирования  других 
функций  информационной  подсистемы  АСУТП (первичная  обработка 
сигналов, косвенная оценка неизмеряемых параметров и т.п.), 
5.
  Возможность управления чрезвычайно инерционными объектами. 
Цифровой  регулятор  характеризуется  двумя  особенностями, 
обусловленными  принципом  работы  цифровых  устройств:  квантованием 
сигнала по уровню и времени.