113
тельного трансформатора сработает только одно реле напряжения, что
не вызовет срабатывания ПО. Вероятность одновременного нарушения
цепей двух трансформаторов напряжения при этом считается практи-
чески ничтожной.
Если в первичной цепи трансформатора напряжения СГ отсутст-
вуют предохранители, а вторичная цепь защищена автоматическим
выключателем, то ПО может выполняться с помощью одного мини-
мального реле напряжения [22]. При отключении автоматического
выключателя УРФ автоматически выводится из действия блок-
контактом QF1 этого выключателя.
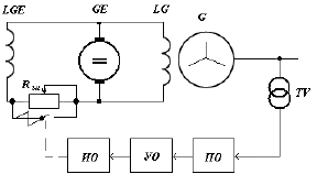
Пример принципиальной схемы УРФ [33] приведен на рис.3.24.
При снижении напряжения СГ срабатывают реле КV1, КL1 и контак-
тор форсировки KMS, закорачивающий своими контактами шунтовой
реостат R
ш
.
При работе СГ на холостом ходу УРФ выводится из действия
блок-контактом выключателя Q1 или контактом реле положения
«включено» [33]. Этим исключается возможность значительного по-
вышения напряжения на обмотке статора СГ в случае ложного сраба-
тывания УРФ.
Рассматриваемая схема УРФ обеспечивает надежное срабатыва-
ние при трехфазных КЗ в электрической сети и при КЗ между двумя
фазами, к которым присоединено реле КV1. При других видах КЗ чув-
ствительность пускового органа УРФ оказывается сниженной. Для
обеспечения большей чувствительности УРФ при разных видах не-
симметричных КЗ в качестве пускового органа может использоваться
фильтр-реле прямой последовательности [34].
Схема УРФ может быть при необходимости дополнена элемен-
тами, ограничивающими длительность форсировки, если она превысит
допустимое для ротора СГ значение.
На рис.3.24 приведена также схема релейного развозбуждения
СГ, предотвращающего чрезмерное повышение напряжения за счет
разгона турбины при сбросе нагрузки. В первую очередь это относится
к гидроагрегатам, турбины которых имеют инерционные системы ав-
томатического регулирования частоты вращения. При сбросе электри-
ческой нагрузки за время, пока система регулирования действует на
закрытие направляющего аппарата, гидротурбина успевает значитель-
но разогнаться и напряжение на СГ и связанном с ним электрообору-
довании может превысить допустимые для них значения.