85
- по отклонению регулируемой величины;
- комбинированный.
Главными возмущающими воздействиями, вызывающими откло-
нение напряжения на выводах СГ, являются изменения полного тока
нагрузки и его фазы относительно напряжения (cos
ϕ
).
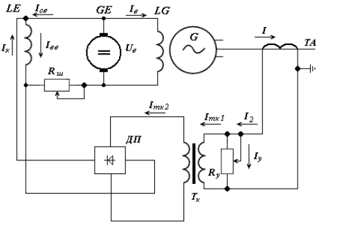
Простейшим АРВ, осуществляющим регулирование напряжения
СГ по полному току нагрузки как возмущающему воздействию, явля-
ется так называемое устройство компаундирования (УК) полным
током.
Обладая простой и, следовательно, высокой надежностью, УК,
однако, как правило, не обеспечивает достаточную точность регулиро-
вания напряжения СГ. Поэтому дополнительно с УК часто приходится
устанавливать регулятор по отклонению напряжения, на который воз-
лагается задача обеспечения требуемой точности регулирования на-
пряжения СГ после действия УК (комбинированный принцип регули-
рования). Этот регулятор по напряжению в электроэнергетике принято
называть корректором напряжения.
Более совершенным (в смысле точности регулирования) по срав-
нению с компаундированием полным током является так называемое
фазовое компаундирование, осуществляющее регулирование напряже-
ния СГ по двум возмущающим воздействиям: току нагрузки и его фа-
зе. Однако и при использовании устройства фазового компаундирова-
ния (УФК) необходимость в корректоре напряжения, как правило, не
отпадает, но от него уже требуется меньшая мощность.
Известное УФК, снабженное корректором напряжения, называют
устройством управляемого фазового компаундирования (УУФК).
Перечисленные виды АРВ предназначены для СГ, снабженных
электромашинными возбудителями постоянного тока. При этом на них
не возлагается задача форсировки возбуждения, хотя их действие спо-
собствует этому процессу. Поэтому на СГ с электромашинным возбу-
ждением дополнительно к этим видам АРВ устанавливается специаль-
ное устройство релейной форсировки возбуждения (УРФ).
С увеличение единичной мощности СГ и появлением высокочас-
тотных систем возбуждения появились специально разработанные для
них АРВ пропорционального действия по отклонению напряжения.
Устройства АРВ СГ с высокочастотной системой возбуждения осуще-
ствляют регулирование напряжения в полном возможном диапазоне
его изменения в нормальных эксплуатационных режимах, а также
форсировку возбуждения в аварийных режимах. Кроме того, эти уст-
ройства выполняют некоторые дополнительные функции в соответст-
вии с требованиями ГОСТ 21558-2000 [18].