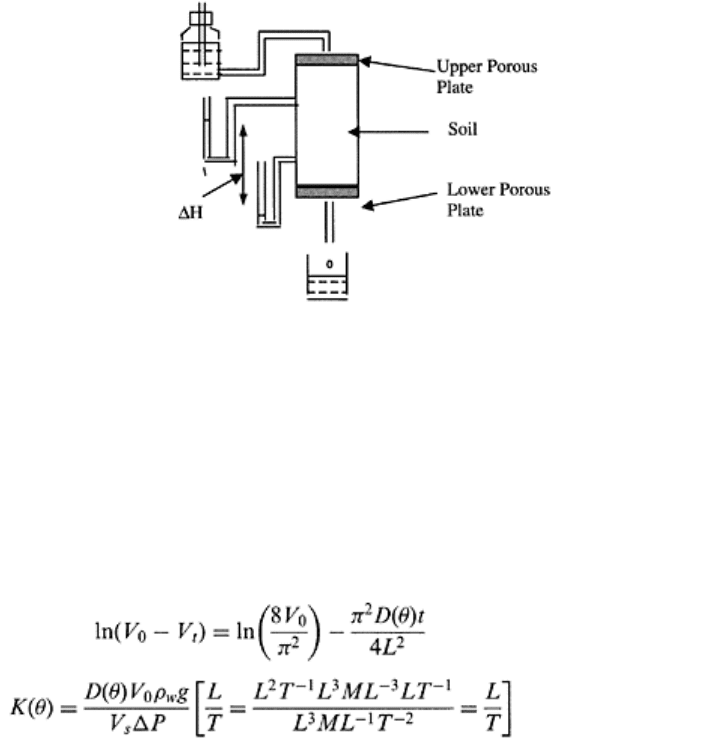
where D(θ) and dλ/dθ are evaluated at the moisture content θ′. Methods proposed by
Bruce and Klute (1956) or Whisler et al. (1968) can be used to estimate the diffusivity
function.
13.7.4 In Situ Methods
The in situ methods address several of the disadvantages of the laboratory methods.
However, the spatial and temporal variations make it difficult to determine exact
boundary conditions. For example in case of a steady infiltration through soil profile, the
essential and limited condition is that flow should be steady both at the upper and lower
end of soil profile, which is extremely difficult to achieve in a heterogeneous field.
However, keeping the fluxes large, so that errors due to tortuosity of flow paths are small,
can minimize the problems due to heterogeneity.
Sprinkler Method
The sprinkler method, or sprinkler infiltrometer method, makes a uniform application of
water on the soil surface (Peterson and Bubenzer, 1986). Water is applied at a rate
slightly lower than the effective hydraulic conductivity (K
e
) of the soil. Both θ and Φ
m
increase gradually and suction gradients become zero. The flow through soil profile is
only due to gravity and hydraulic gradient of flow becomes unity. Under this situation
flux through soil profile is essentially equal to the hydraulic conductivity of soil. This
provides one set of value of Φ
m
and θ. The experiment can be repeated for different
steady rates of water application and correspond-ing values of Φ
m
and θ can be obtained.
This method, although simple, requires large number of closely spaced sprinklers
supplying water at a constant rate. Since measurement of Φ
m
and θ need to be made for a
wide range, the method poses a problem for sprinkler application rate of less than 1
mm/h. The exposed soil surface tends to disperse and seal the pores due to the impact of
rain droplets, thus reducing the infiltrability of soil. The steady flux is very difficult to
achieve for a layered soil.
Crust-Topped Method
The crust-topped method employs a less permeable crust of topsoil, which reduces the
flux density, soil wetness, and corresponding K(θ) and D(θ) values of the infiltrating
profile due to the steep hydraulic gradient across the less permeable crust of topsoil. The
impeding layer induces the suction in the subsoil, which increases with the increasing
hydraulic resistance of the crust. Once steady infiltration is established flux and
conductivity of subsoil becomes equal. The Φ
m
and θ can also be measured
simultaneously using tensiometer and nondestructive moisture content measurement
device. This method can work for a wide range of Φ
m
and θ measurements, thus
eliminating the range limitation of the sprinkler method described above. For very high
suctions, the measurements may take long time and accurate measurement of flux may
become difficult to achieve. Evaporation may also become significant if proper care is
not taken. The crust-topped method can be applied while using double ring infiltrometers,
tension infiltrometers, or disc permeameters (Perroux and White, 1988).
Principles of soil physics 366