
Ð77Ð-1
Ð77Ð-2
Ð77Ð-3
Ð77Ð-4
Ð77Ð-5 Ð77Ð-6
Ð77Ð-7
Ð77Ð-8
Ð77Ð-9
Ð77Ð-10
Ð77Ð-11
Ð77Ð-12 Ð77Ð-13
Ð77Ð-14
Ð77Ð-15
Ð77Ð-16
Êîëè÷åñòâî íà èñïîëíåíèå
Ðèñ.1 Ðèñ.2 Ðèñ.3 Ðèñ.4
Ó1 ÓÕË1 Ó1 ÓÕË1 Ó1 ÓÕË1 Ó1 ÓÕË1
Ïîç
Íàèìåíîâàíèå Òèï
Iî÷ II î÷ Iî÷ II î÷ Iî÷ II î÷ Iî÷ II î÷ Iî÷ II î÷ Iî÷ II î÷ Iî÷ II î÷ Iî÷ II î÷
3
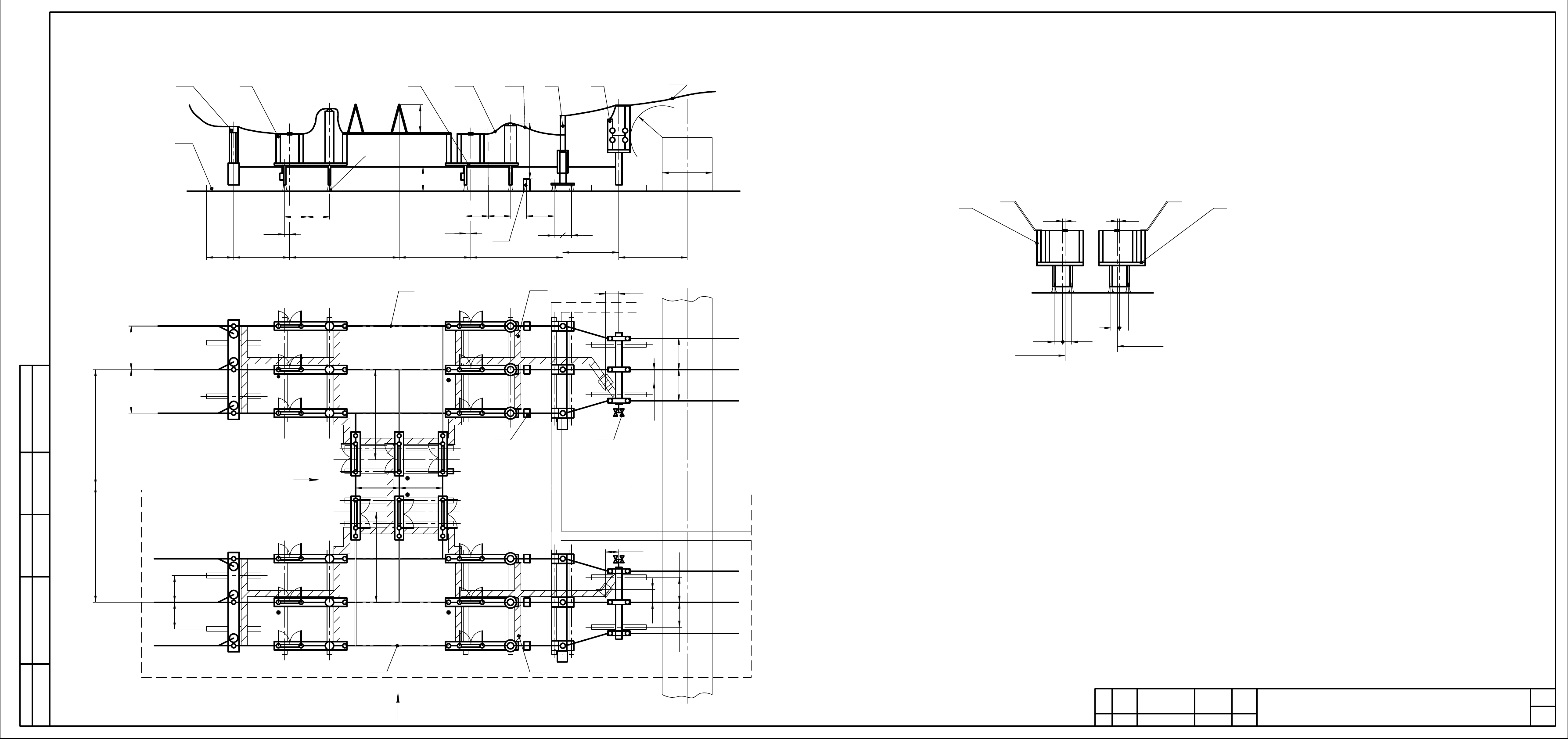
Ãðóïïà áëîêîâ ïîëþñîâ
ðàçúåäèíèòåëÿ è Ò.Ò.
Á150-32/Ê-- 1 1 1 1 1 1 1 1
Á150-32/Ê-- 1 1 1 1 1 1 1 1
4
Ãðóïà áëîêîâ ïîëþñîâ
ðàçúåäèíèòåëÿ
Á150-24-- 1 1 1 1 1 1 1 1
Á150-24-- 1 1 1 1 1 1 1 1
5
Ãðóïïà áëîêîâ ïîëþñîâ
ðàçúåäèíèòåëÿ è Ò.Í.
Á150-30/Ê-- 1 1 1 1 1 1 1 1
Á150-30/Ê-- 1 1 1 1 1 1 1 1
6
Ãðóïïà áëîêîâ ïîëþñîâ
âûêëþ÷àòåëÿ
111111111111111Á150-42/Ê-- 1
Á150-65-- 1 1 1 1 1 1 1 1
7
Áëîê îãðàíè÷èòåëåé ïåðåíàïðÿ-
æåíèÿ è îïðíûõ èçîëÿòîðîâ Á150-65-- 1 1 1 1 1 1 1 1
13
Ãðóïïà áëîêîâ ïîëþñîâ
ðàçúåäèíèòåëÿ
Á150-20-- 1 1 1 1
Á150-20-- 1 1 1 1
14 Áëîê îïîðíûõ èçîëÿòîðîâ Á150-76--- 3 3 3 3
17 Áëîê ïðè¸ìà ÂË-220 êÂ
Á150-88-- 1 1 1 1 1 1
Á150-88-- 1 1 1 1 1 1
21 Øèíà Ø- 3 3 3 3 3 3 3 3
22 Øèíà Ø- 3 3 3 3 3 3 3 3 3 3 3 3 3 3 3 3
23 Øèíà Ø- 3 3 3 3 3 3 3 3
24 Øèíà Ø- 3 3 3 3 3 3 3 3 3 3 3 3 3 3 3 3
28 Øèíà Ø- 3 3 3 3 3 3 3 3
Ø- 3 3 3 3 3 3 3 3
30 Îøèíîâêà ÎÐÓ-220 êÂ ÎÆ- 1 1 1 1 1 1 1 1
31 Îøèíîâêà ÎÐÓ-220 êÂ ÎÆ- 1 1 1 1 1 1 1 1
36 Ðàñêëàäêà êàáåë. êîíñòð. ÐÊÊ- 1 1 1 1 1 1 1 1
37 Ðàñêëàäêà êàáåë. êîíñòð. ÐÊÊ- 1 1 1 1 1 1 1 1
45 Óñòàíîâêà îñâåòèòåëüíàÿ ÎÓ 1 1 1 1 1 1 1 1 1 1 1 1 1 1 1 1
Ýëåìåíòû ôóíäàìåíòîâ
58 Ëåæåíü ËÆ-4,4 8 8 8 8 8 8 8 8
60 Ëåæåíü ËÆ-8,4 16 16 16 16 16 16 16 16
61 Áëîê ñòåí. ïîäâàëà ÔÑÇ-8 6 6 6 6 6 6 6 6
62 Ïëèòà ÓÁÊ-5 2 2 2 2 2 2 2 2
Ëèñò
Èçì.
Ëèñò
¹ äîêóì. Ïîäï.
Äàòà
ÍÊÀÈ.670049.028ÒÈ
217
Èíâ. ¹ ïîäë. Ïîäï. è äàòà Âçàì. èíâ. ¹ Èíâ. ¹ äóáë. Ïîäï. è äàòà
Ìîäóëü Ð77Ð ÎÐÓ 150 ê ïî ñõåìå 150-4Í