
По другим двум случаям решение задачи По другим двум случаям решение задачи
инженерным методом приведем в более инженерным методом приведем в более
сжатом виде.сжатом виде.
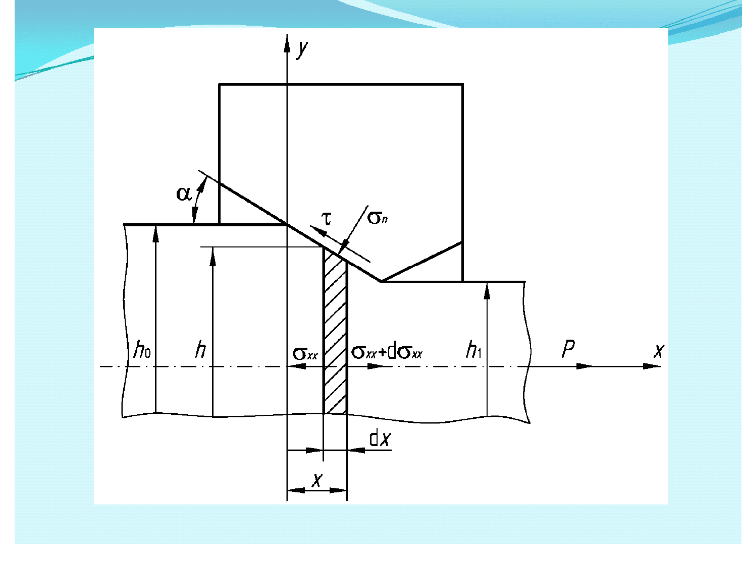
Для процесса прокатки полосы (Для процесса прокатки полосы (рис. 38.2.) при ) при
условии, что ширина полосы условии, что ширина полосы b в процессе в процессе
деформации не меняется, уравнение деформации не меняется, уравнение
выделенного элемента, расположенного в выделенного элемента, расположенного в
зоне отставания (видно по направлению зоне отставания (видно по направлению
действия вектора напряжение трения действия вектора напряжение трения τ) )
запишется в следующем виде:запишется в следующем виде:
0
cos
d
cos2
cos
d
sin2))(d( =
ϕ
ϕτ−
ϕ
ϕσ+α+σ+σ−σ=Σ b
x
b
x
bhhhbF
nxxxxxxx