472 Chapter 8. Signal Processing
in out
in out
(a)
(b)
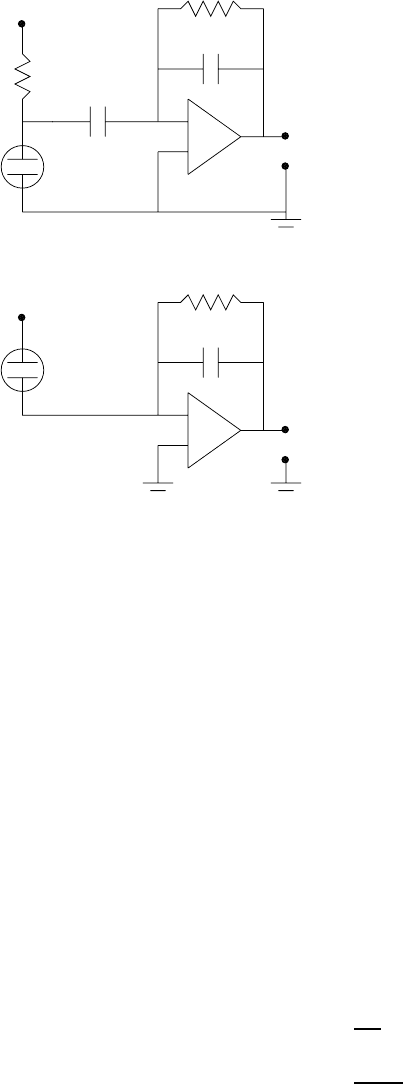
Figure 8.1.6: (a) Typical output voltage
pulse shapes of a simple charge sensi-
tive preamplifier (a) and a resistive feed-
back charge sensitive preamplifier (b).
In both cases the amplitude of the out-
put pulse is proportional to the original
detector pulse, which in turn is propor-
tional to the energy deposited in the de-
tector. Without a feedback resistor the
feedback resistor does not discharge and
the output voltage does not change with
time after reaching the maximum value.
In a resistive feedback preamplifier, on
the other hand, the pulse decays expo-
nentially with a time constant equal to
R
f
C
f
.
where, as before, Q
f
is the charge accumulated on the feedback capacitor C
f
, Q
t
is
the total input charge, and η
in
is the charge transfer efficiency. It is apparent form
these equations that the amplitude of the signal is given by
V
out
=
Q
f
C
f
=
η
in
Q
t
C
f
. (8.1.19)
This maximum value of the voltage occurs at t = 0, which implies a step response
of the circuit to the detector output. However, in reality, it always takes some finite
amount of time to reach its maximum value. In most of the cases we are not really
concerned about the rise time of the pulse since its shape is always conditioned
by subsequent analog processing units. However in some timing applications it
is desired to know this quantity. V
out
is proportional to the detector pulse and is
therefore a measure of the energy deposited by the incident radiation. After reaching
this maximum value, the pulse decays exponentially through the feedback resistor R
f
(see Fig.8.1.6). The time for this decay depends on the time constant of the feedback
circuit τ
f
= R
f
C
f
and can therefore be chosen according to the requirements.
A nice feature of resistive feedback preamplifiers is that they do not exhibit any
dead time, though at the expense of pulse pile up at high count rates. That is, even
though such a preamplifier will keep on amplifying even if the next pulse arrives
during the pulse decay time but the offset of the previous pulse will be added to
the new one (see Fig.8.1.7). It is due to this reason that for a high rate situation
such a preamplifier is not recommended. At low count rates, however, the resistive
feedback mechanism gives reasonable performance; reasonable because of the noise
added to the system by the feedback resistor itself.
C.2 Pulsed Reset Mechanism
The feedback resistor of the resistive feedback charge sensitive preamplifier is itself
a source of noise and is therefore not suitable for high resolution systems. Pulsed