8.3. Pulse Shaping 487
Elimination of such undershoots can be accomplished if the responsible pole is
somehow removed from the function. This can be done by introducing similar quan-
tities in the numerator of the function such that they cancel the pole out. Since
the quantity used to cancer the pole has the effect of vanishing the function in the
absence of the pole therefore it is termed as zero of the function. Hence the term
pole-zero cancellation. To determine which pole we should concentrate on removing
from the function 8.3.7, we note that the undershoot becomes evident only after
the shaping time of the preamplifier becomes comparable with that of the shaper.
Hence we conclude that s = −1/τ
p
is the pole that has to be removed.
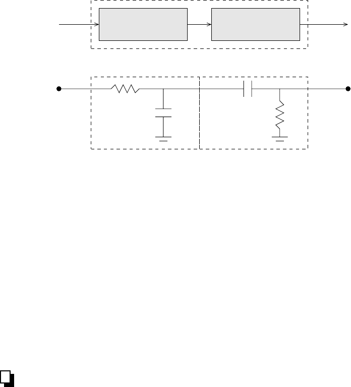
Let us have a look at a simple but practical method of removing this pole. Fig.
8.3.8 shows a CR-RC shaper with a variable resistor R
pz
installed in parallel to R
d
.
Inclusion of this resistor modifies the transfer function 8.3.7 as
H(s)=
τ
p
s
(τ
p
s +1)
τ
d
(R
pz
C
d
s +1)
(R
pz
C
d
τ
d
s + R
pz
C
d
+ τ
d
)
1
(τ
i
s +1)
. (8.3.8)
It is apparent from this function that a properly chosen value of R
pz
can elimi-
nate the undershoot altogether (see Example at the end of this section). However in
practical systems where the parameters related to physical circuit elements do not
remain constant over time, the approach is to minimize the undershoot. Manually
this can be done by changing R
pz
while looking at the output signal on an oscillo-
scope. Some newer developments utilize additional circuitry to automatically adjust
this resistance and are therefore more desirable in systems with randomly drifting
electronic parameters and having large number of channels.
V
in
V
out
d
C
C
i
R
i
R
pz
R
d
Figure 8.3.8: Simple pole zero
cancellation circuit. The variable
resistor can be used to minimize
the undershoot.
Theoretically pole-zero cancellation strategy we saw above should work perfectly.
However we should remember that addition of a zero involves adding an additional
piece of circuitry with its own limitations and irregularities. Minor physical changes,
for example a small shift in temperature may slightly shift the pole and zero. Con-
sequently the pole may not get canceled at all. The variable resistor R
pz
can com-
pensate for some drifts and modern systems are designed to accommodate small
changes. However such circuits have their own limitations and do not always work
in all possible scenarios. The wide spread implementation of pole zero cancellation
circuitry in detection systems is therefore not due to its effectiveness over other tech-
niques, such as control theory, rather due to the ease and simplicity in its application.
Example:
Determine the optimal value of R
pz
to eliminate undershoot from the output