защиту из действия при повреждениях цепей напряжения,
питающих защиту. Дело в том, что если при повреждении
цепей напряжение на зажимах защиты U
р
=0, то Z
p
=0. Это
означает, что и пусковой, и дистанционный органы могут
сработать неправильно. Для предотвращения отключения
линии при появлении неисправности в цепях напряжения
блокировка снимает с защиты постоянный ток и подает
сигнал о неисправности цепей напряжения. Оперативный
персонал в этом случае обязан быстро восстановить
нормальное напряжение на защите. Если по какой-либо
причине это не удается выполнить, защиту следует вывести
из действия переводом накладки в положение "Отключено".
Рис. 7.16. Принципиальная схема дистанционной защиты со
ступенчатой характеристикой выдержки времени
Работа защиты. При КЗ на линии срабатывают реле
пускового органа ПО и реле органа направления OHM. Через
контакты этих реле плюс постоянного тока поступит на
контакты дистанционных органов и на обмотку реле времени
третьей зоны ОВ3 и приведет его в действие. Если КЗ
находится в первой зоне, дистанционный орган ДО1 замкнет
свои контакты и пошлет импульс на отключение
выключателя без выдержки времени. При КЗ во второй зоне
ДО1 работать не будет, так как значение сопротивления на
зажимах его реле будет больше значения сопротивления
срабатывания. В этом случае сработает дистанционный орган
второй зоны ДО2, который запустит реле времени ОВ2. По
истечении выдержки времени второй зоны от реле ОВ2
поступит импульс на отключение линии. Если КЗ произойдет
в третьей зоне, дистанционные органы ДО1 и ДО2 работать
не будут, так как значения сопротивления на их зажимах
больше значений сопротивлений срабатывания. Реле времени
ОВ3, запущенное в момент возникновения КЗ контактами
реле OHM, доработает и по истечении выдержки времени
третьей зоны пошлет импульс на отключение выключателя
линии. Дистанционный орган для третьей зоны защиты, как
правило, не устанавливается.
В комплекты дистанционных защит входят также
устройства, предотвращающие срабатывание защит при
качаниях
22
в системе.
22
Качания - явления, возникающие в электрических системах
при нарушениях синхронной работы генераторов электростанций.
Качания сопровождаются периодическими понижениями
напряжения и возрастаниями тока в сети, что можно наблюдать по
колебанию стрелок измерительных приборов. При отсутствии
специальных блокирующих устройств защиты, реагирующие на
изменения напряжения, тока и сопротивления, во время качаний
могут сработать неправильно или отказать в действии при КЗ.
Некоторые виды защит, например дифференциальные, по своему
принципу действия не реагируют на качания.
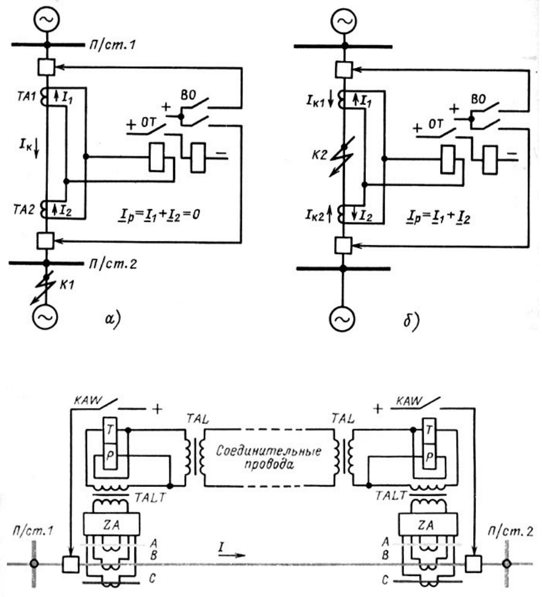
7.5
Продольная дифференциальная
защита линий
Защита основана на принципе сравнения значений и фаз
токов в начале и конце линии. Для сравнения вторичные
обмотки трансформаторов тока с обеих сторон линии
соединяются между собой проводами, как показано на рис.
7.17. По этим проводам постоянно циркулируют вторичные
токи I
1
и I
2
. Для выполнения дифференциальной защиты
параллельно трансформаторам тока (дифференциально)
включают измерительный орган тока ОТ.
Ток в обмотке этого органа всегда будет равен
геометрической сумме токов, приходящих от обоих
трансформаторов тока: I
Р
=I
1
+I
2
Если коэффициенты
трансформации трансформаторов тока ТА1 и ТА2 одинаковы,
то при нормальной работе, а также внешнем КЗ (точка K1 на
рис. 7.17, а) вторичные токи равны по значению I
1
=I
2
и
направлены в ОТ встречно. Ток в обмотке ОТ I
Р
=I
1
+I
2
=0, и
ОТ не приходит в действие. При КЗ в защищаемой зоне
(точка К2 на рис. 7.17, б) вторичные токи в обмотке ОТ
совпадут по фазе и, следовательно, будут суммироваться:
I
Р
=I
1
+I
2
. Если I
Р
>I
сз
, орган тока сработает и через выходной
орган ВО подействует на отключение выключателей линии.
Таким образом, дифференциальная продольная защита с
постоянно циркулирующими токами в обмотке органа тока
реагирует на полный ток КЗ в защищаемой зоне (участок
линии, заключенный между трансформаторами тока ТА1 и
ТА2), обеспечивая при этом мгновенное отключение
поврежденной линии.
Практическое использование схем дифференциальных
защит потребовало внесения ряда конструктивных элементов,
обусловленных особенностями работы этих защит на линиях
энергосистем.
Во-первых, для отключения протяженных линий с двух
сторон оказалось необходимым подключение по
дифференциальной схеме двух органов тока: одного на
подстанции 1, другого на подстанции 2 (рис. 7.18).
Подключение двух органов тока привело к неравномерному
распределению вторичных токов между ними (токи
распределялись обратно пропорционально сопротивлениям
цепей), появлению тока небаланса и понижению
чувствительности защиты. Заметим также, что этот ток
небаланса суммируется в ТО с током небаланса, вызванным
несовпадением характеристик намагничивания и некоторой
разницей в коэффициентах трансформации трансформаторов
тока. Для отстройки от токов небаланса в защите были
применены не простые дифференциальные реле, а
дифференциальные реле тока с торможением KAW,
обладающие большей чувствительностью.
Во-вторых, соединительные провода при их
значительной длине обладают сопротивлением, во много раз
превышающим допустимое для трансформаторов тока
сопротивление нагрузки. Для понижения нагрузки были
применены специальные трансформаторы тока с
коэффициентом трансформации n, с помощью которых был
уменьшен в п раз ток, циркулирующий по проводам, и тем
самым снижена в n
2
раз нагрузка от соединительных
проводов (значение нагрузки пропорционально квадрату
тока). В защите эту функцию выполняют промежуточные
трансформаторы тока TALT и изолирующие TAL. В схеме
защиты изолирующие трансформаторы TAL служат еще и для
отделения соединительных проводов от цепей реле и защиты
цепей реле от высокого напряжения, наводимого в
соединительных проводах во время прохождения по линии