
Heat Pumps 321
Figure 6.20a shows a translucent view of an IsoDie heat spreader used to planarize the uneven
junction temperatures caused by the nonuniform power distribution of an integrated circuit. This
IsoDie has five parts; starting at the bottom is the evaporator sidewall, followed by the evaporator
sidewall microstructure region (actual microstructures not shown for simplicity), planar capillary
form, condenser sidewall microstructure region, and finally, the condenser sidewall. This IsoDie
measures 15 mm
2
and is 2 mm thick. It is constructed entirely from oxygen-free high conductiv-
ity (OFHC) copper and uses water as its working fluid. Thermal analysis suggests that it will
handle over 100 W from a 10 to 100 mm
2
nonuniform power source, including power densities
as high as 3.0 W/mm
2
, with a thermal resistance of less than 0.16
◦
C/W (three times better than
solid copper).
Figure 6.20b shows a custom-made Peltier module (40 × 40 × 3.3 mm) which has a maximum
heat pump capacity of 160 W (10 W/cm
2
), and a maximum temperature differential of 67
◦
C (zero
load), under the following conditions: 16.2 V, 17.6 A, and a hot-side temperature of 50
◦
C.
Figure 6.20c shows a custom-made liquid cooled Peltier (thermoelectric) cooling assembly which
measures 60 mm
2
and is 14 mm high (including copper cold plate), and has a maximum heat pump
capacity of 100 W (2.8 W/cm
2
), with a maximum temperature differential of 63
◦
C (zero load), under
the following conditions: 12.0 V, 11.1 A, and a hot-side liquid input temperature of 50
◦
C. This
Peltier heat pump assembly uses a liquid-cooled copper heat sink, which has a thermal resistance
of 0.031
◦
C/W, with a flow rate of 0.5 L/min, and a pressure drop of 20 kPa. The volumetric thermal
efficiency equals 1.984 W/
◦
C/cm
3
. Total weight is 281 g.
6.21 Resorption Heat Pump Systems
Renewed interest in ammonia has been evident in the wake of the Montreal protocol and mixtures
of ammonia and water appear to be particularly suitable as the working fluid in high-temperature
heat pump applications. The advantages over a single component working fluid are related to the
possibility of matching the temperature glide of the working fluid to that of the source/sink and the
variation of the circulation composition to enable better matching of the source/sink conditions and
load. Furthermore, it is possible to configure the system and working fluid to allow heat rejection
at temperatures in the range of 80–120
◦
C. This temperature range would be typical of a number
of industrial process heating applications, with the heat pump utilizing what might otherwise be
waste heat at temperatures between 40 and 80
◦
C (Mongey et al., 2001). The practical application
of ammonia–water mixtures cannot be achieved using a conventional vapor-compression cycle.
The temperature glide associated with complete phase change is of the order of 100
◦
C, so it
could be expected that only partial phase change will be achieved in any specific application.
Wet compression does not appear to be a realistic proposition, because of the large liquid fraction
remaining after any typical heat exchange process.
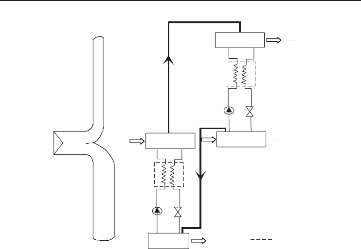
A more practical alternative is to separate the phases after the working fluid has come into thermal
contact with the heat source. The vapor passes through the compressor while a solution pump is
used to transfer the liquid to the high side before recombining with the vapor. This approach is
referred to as a resorption cycle, with the desorber and resorber performing the same functions
as the evaporator and condenser in the vapor-compression cycle. The resorption cycle is shown
schematically in Figure 6.21. Changes in the circulating composition can be achieved by varying
the flow ratios of the vapor and liquid phases. Modulation of the flow velocity through the solution
pump is thought to be the most practical means of achieving this end. Because of this, a receiver is
required to store a charge of working fluid that has a much greater volume than that necessary for
circulation purposes. In order to achieve circulating compositions that differ significantly from the
original bulk charge, a considerable proportion of the charge must be removed from circulation.
This excess fluid can be stored at the point where phase separation occurs, since equilibrium liquid
and vapor phases differ markedly.