
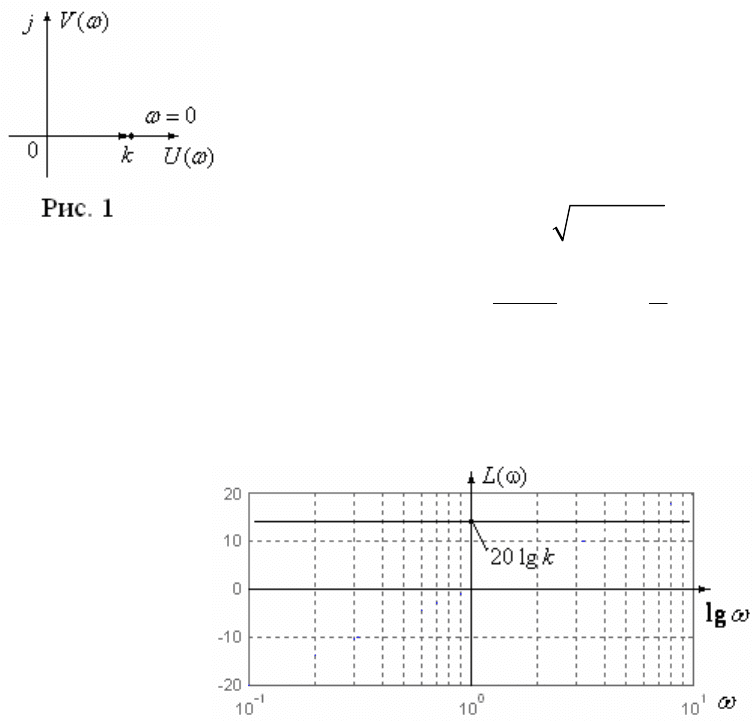
56
Единицей измерения по оси ординат является децибел (дБ), заимствован-
ный из акустики, единицей деления является 20 дБ. Логарифмическая фазовая
частотная характеристика (ЛФХ)
по оси ординат строится в равномер-
ном натуральном масштабе с единицей деления
. Общий для ЛАХ и ЛФХ
параметр – частота откладывается в логарифмическом масштабе
, ха-
рактеризующем изменение частоты относительно базовой частоты
. Единица
десятикратного изменения частоты называется декадой. Значение
определя-
ет начало координат в логарифмическом масштабе и может назначаться произ-
вольно. В системных исследованиях обычно
*
рад/с, в экспериментальных
условиях удобно начало координат связать с началом частотного диапазона ге-
нератора синусоидальных колебаний.
Таким образом, ЛАХ (27) является полностью логарифмической как по
оси ординат, так и по оси абсцисс, а ЛФХ является полулогарифмической. При
построении ЛЧХ по экспериментальным данным их преимущества никак не
проявляются. Более того, необходимы дополнительные вычисления по формуле
(27) и вычисление координат по оси абсцисс по формуле
lg lg
,
где
,
– частота в герцах (Гц). Однако, только в логарифмических
масштабах возможно однозначное восстановление фазовой характеристики для
минимально-фазовых систем по логарифмической амплитудной характеристи-
ке. Это исключает необходимость измерения
, что существенно упрощает
эксперимент.
Рассмотрим свойства ЛАХ и ЛФХ для произвольной передаточной функ-
ции (22). Для этого найдем корни полинома числителя (нули) и корни полинома
знаменателя (полюса) передаточной функции и согласно теореме Безу полино-
мы числителя и знаменателя передаточной функции (22) представим в виде
произведения простейших множителей: