
Chapter 16 MOSFET Digital Circuits 1207
Q
Q′
TG2
TG3 TG4
TG1
Master Slave
ff
–
f
–
f
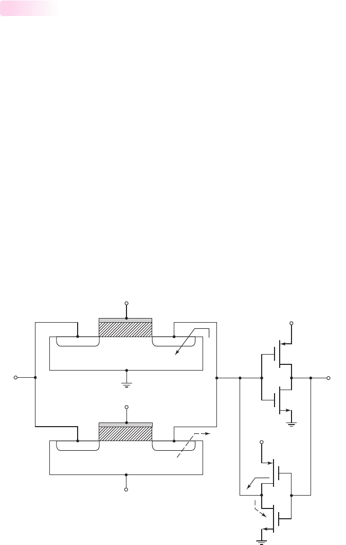
Figure 16.66 CMOS master–slave D flip-flop
D
Q ′
f
Q
Figure 16.67 D flip-flop signals at various times
The circuit shown in Figure 16.66 is a master–slave configuration of a D flip-
flop. When clock pulse
φ
is high, transmission gate TG1 is conducting, and data D
goes through the first inverter, which means that
Q
=
¯
D
. Transmission gate TG2 is
off, so data stops at
Q
. When clock pulse
φ
goes low, then TG3 turns on, and the
master portion of the flip-flip is in a static configuration. Also when
φ
goes low, TG2
turns on, the data are transmitted through the slave portion of the flip-flop, and the
output is
Q =
¯
Q
= D
. The data present when
φ
is high are transferred to the output
of the flip-flop during the negative transition of the clock pulse. The various signals
in the D flip-flop are shown in Figure 16.67.
Additional circuitry can be added to the D flip-flop in Figure 16.66 to provide a
set and reset capability.
CMOS Full-Adder Circuit
One of the most widely used building blocks in arithmetic processing architectures
is the one-bit full-adder circuit. We will first consider the logic diagram from the
Boolean function and then consider the implementation in a conventional CMOS
design.
Assuming that we have two input bits to be added plus a carry signal from a pre-
vious stage, the sum-out and carry-out signals are defined by the following two
Boolean functions of three input variables A, B, and C.
Sum-out = A ⊕ B ⊕C
= ABC + A
¯
B
¯
C +
¯
A
¯
BC +
¯
AB
¯
C
(16.80(a))
Carry-out = AB + AC + BC
(16.80(b))
The logic diagrams for these functions are shown in Figure 16.68. As we have seen
previously, the implementation at the transistor level can be done with fewer transis-
tors than would be used if all the NOR and NAND gates were actually connected as
shown in the logic diagram.
Figure 16.69 is a transistor-level schematic of the one-bit full-adder circuit im-
plemented in a conventional CMOS technology. We can understand the basic design
from the logic diagram. For example, we may consider the NMOS portion of the
carry-out signal. We see that transistors
M
NA1
and
M
NB1
are in parallel, to perform
the basic OR function, and these transistors are in series with transistor
M
NC1
, to per-
form the basic AND function. These three transistors form the NMOS portion of the
design of the two gates labeled
G
1
and
G
2
in Figure 16.68. We also have transistors
M
NA2
and
M
NB2
in series, to perform the basic AND function of gate
G
3
. This set of
16.7.4
nea80644_ch16_1145-1254.qxd 07/12/2009 3:38 Page 1207 pinnacle MHDQ-New:MHDQ134:MHDQ134-16: