
420 14 Projektierung und Gestaltung von Kreisläufen
braucher zueinander gefordert sind. Abbildung 14.7 zeigt drei einfache, un-
geregelte Schaltungen an einer Druckquelle.
Die Steuerung bestimmt den Volumenstrom zu den Verbrauchern, die in Abb.
14.7 a mechanisch starr miteinander verbunden sind (oft in Lastaufzügen; ein
Verkanten wird durch Führungsschienen vermieden), in Abb. 14.7 b ein vor-
geschaltetes Stromteilventil besitzen oder in Abb. 14.7 c in Reihenschaltung an-
geordnet sind. In den Varianten nach Abb. 14.7 b und c entstehen bei ungleicher
Belastung der Verbraucher durch Leckvolumenströme und Fluidkompressibilität
Gleichlauffehler, die, meist an einem Anschlag, ausgeglichen werden müssen
(weitere Gleichlaufantriebe s. Abschn. 14.3.2.2 und 14.5).
14.3.2.2 Antriebe mit Stetigsteuerventilen im Hauptstrom
Lagegeregelte Antriebe. Sie sind wegen ihrer hohen Steifigkeit gegenüber großen
Belastungskräften und ihrer hohen Dynamik auch bei großen bewegten Massen
die Klassiker der Servohydraulik. Die Steuerventile dieser Antriebe sind Servo-
ventile oder sog. Regelventile gemäß Abschn. 8.5.4, die eine stetige Veränderbar-
keit ihrer Drosselwiderstände auch in der Umgebung der Steuerschiebermittellage
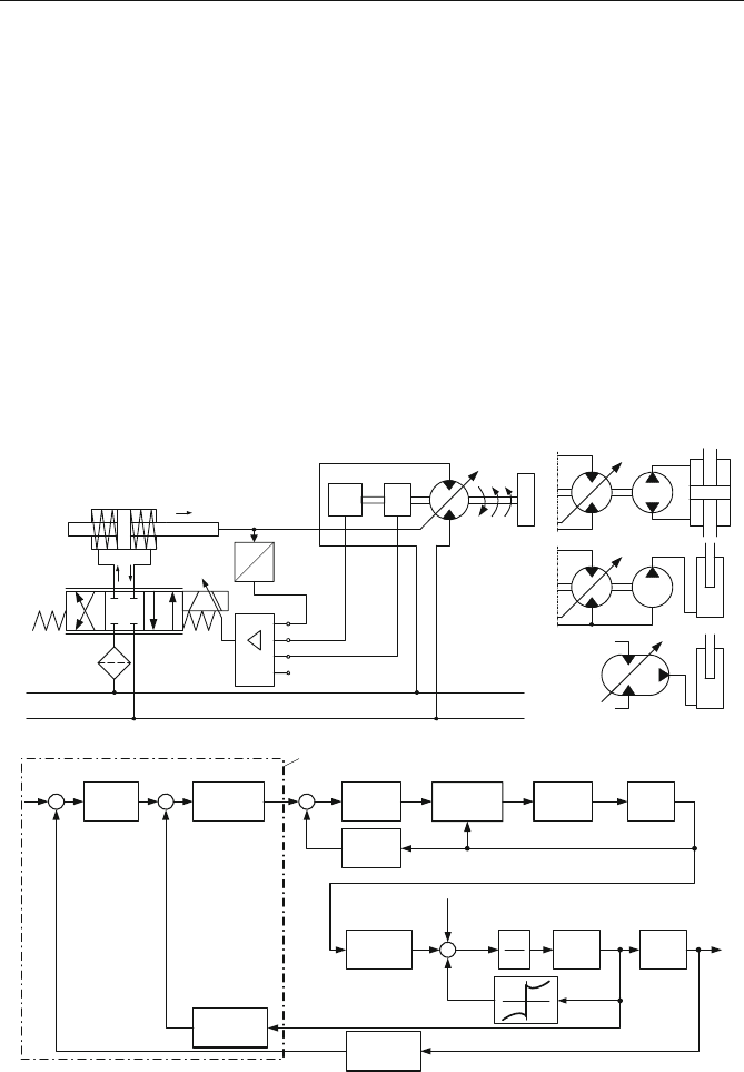
ermöglichen (negative Überdeckung). Abb. 14.8 a zeigt eine konventionelle Re-
gelkreisstruktur, die meisten elektronischen Funktionsgruppen sind in analoger
Technik realisiert. Der Lageregler des Kolbens befindet sich dabei i. Allg. im
Steuerschrank der Gesamtanlage, die Ventilelektronik und die des Kolbenweg-
sensors sind in ihre jeweilige Umgebung integriert. Das Steuerventil in Abb. 14.8
besitzt eine Lageregelung seines Steuerschiebers (s. Abb. 8.52).
Der Trend geht zur Integration der Lageregelung des Kolbens in den Antrieb,
so dass der Antrieb als komplette mechatronische Komponente eingesetzt werden
kann. Es muss von der Steuerung der Gesamtanlage nur noch die Führungsgröße
für die Kolbensollposition u
Ksoll
vorgegeben werden (s. Abb. 14.8 b). Das geht am
elegantesten mit Hilfe einer Feldbus-Schnittstelle, wenn die Regler in digitaler
Elektronik ausgeführt sind. Zu beachten ist, dass über den Feldbus auch die Regler
parametriert und Signale des Regelkreises in die Steuerung der Gesamtanlage
übertragen werden können. Dort können Optimierungsberechnungen der Regler-
einstellungen vorgenommen werden oder die Regelgröße wird im Sinne der Dia-
gnose auf die Überlagerung mit Oberwellen analysiert. Dass die Regler selbst we-
sentlich leistungsfähigere Algorithmen (z. B. die für eine Zustandsregelung) als in
analoger Technik (z. B. PD-Regler) abarbeiten können, wird in Abschn. 14.3.5.1
beispielhaft gezeigt.
Abbildung 14.8 c zeigt das für beide Varianten etwa gleiche qualitative Block-
schaltbild der Lageregelung des Kolbens. Aus ihm entstehen in Abschn. 14.3.5.1
die verschiedenen quantitativen Blockschaltbilder für die dann verwendeten unter-
schiedlichen Regler der Kolbenposition.
Abbildung 14.8 d zeigt eine Antriebseinheit mit integrierter Elektronik von
Bosch Rexroth [14.16, 14.17].
Geschwindigkeits- oder Kraftregelungen. Neben Lage- sind auf diese Weise
auch Geschwindigkeits- oder Kraftregelungen aufzubauen; anstelle der Position s
K
müssten dann die Geschwindigkeit ds
K
/dt oder die Kraft F gemessen werden.